GM Service Manual Online
For 1990-2009 cars only
Makes
🢒
Chevrolet
🢒
2001
🢒
Blazer - 2WD
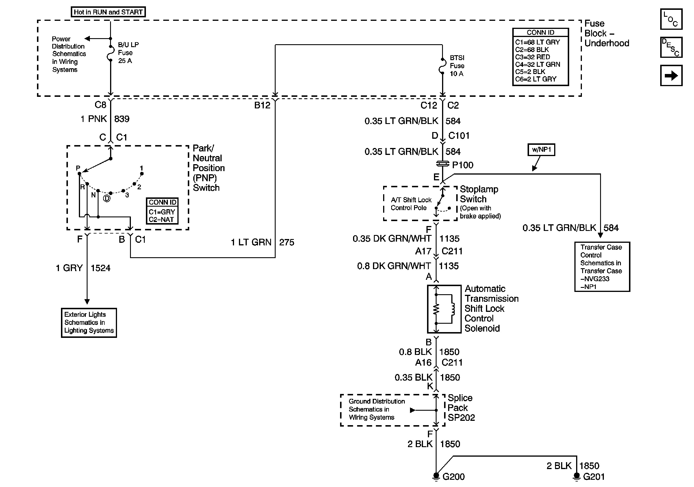
🢒 Park/Neutral Position (PNP) Switch and Automatic TransmiSsion Shift Lock Solenoid (Pickup and 2-Door Utility w/ Column Shift)
Park/Neutral Position (PNP) Switch and Automatic TransmiSsion Shift Lock Solenoid (Pickup and 2-Door Utility w/ Column Shift)
Park/Neutral Position (PNP) Switch and Automatic Transmission Shift Lock Solenoid (Pickup and 2-Door Utility w/ Column Shift)
Master Electrical Component List
Automatic Transmission Shift Lock Control Description and Operation
Park/Neutral Position (PNP) Switch and Automatic TransmiSsion Shift Lock Solenoid (4-Door Utility w/ Column Shift)
Ign RUN and START Bus Bar
Backup Lamps (Utility)
G200, G201 and G207 (Pickup and Crew Cab)
Front Axle Indicator Switch and Powertrain Control Module (PCM)