GM Service Manual Online
For 1990-2009 cars only
Makes
🢒
Chevrolet
🢒
2001
🢒
Blazer - 2WD
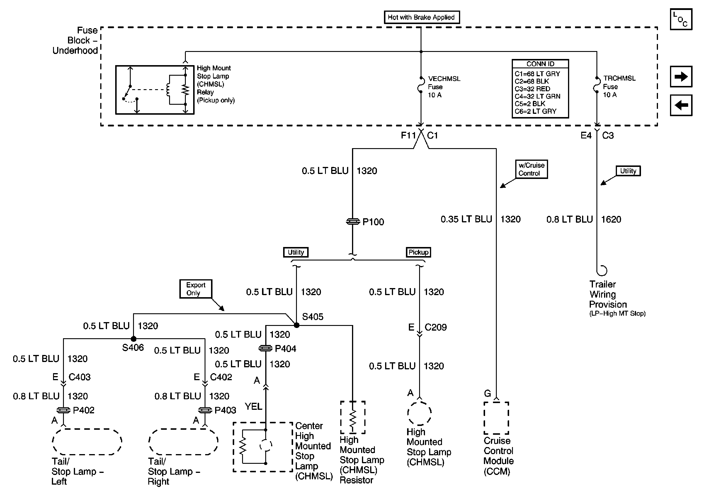
🢒 VECHMSL, TRCHMSL Fuses and CHMSL Relay
VECHMSL, TRCHMSL Fuses and CHMSL Relay
VECHMSL, TRCHMSL Fuses and CHMSL Relay
Master Electrical Component List
RT TURN, RT TRN and TRR TRN Fuses
HVAC and CRUISE Fuses