GM Service Manual Online
For 1990-2009 cars only
Makes
🢒
Chevrolet
🢒
2001
🢒
Blazer - 2WD
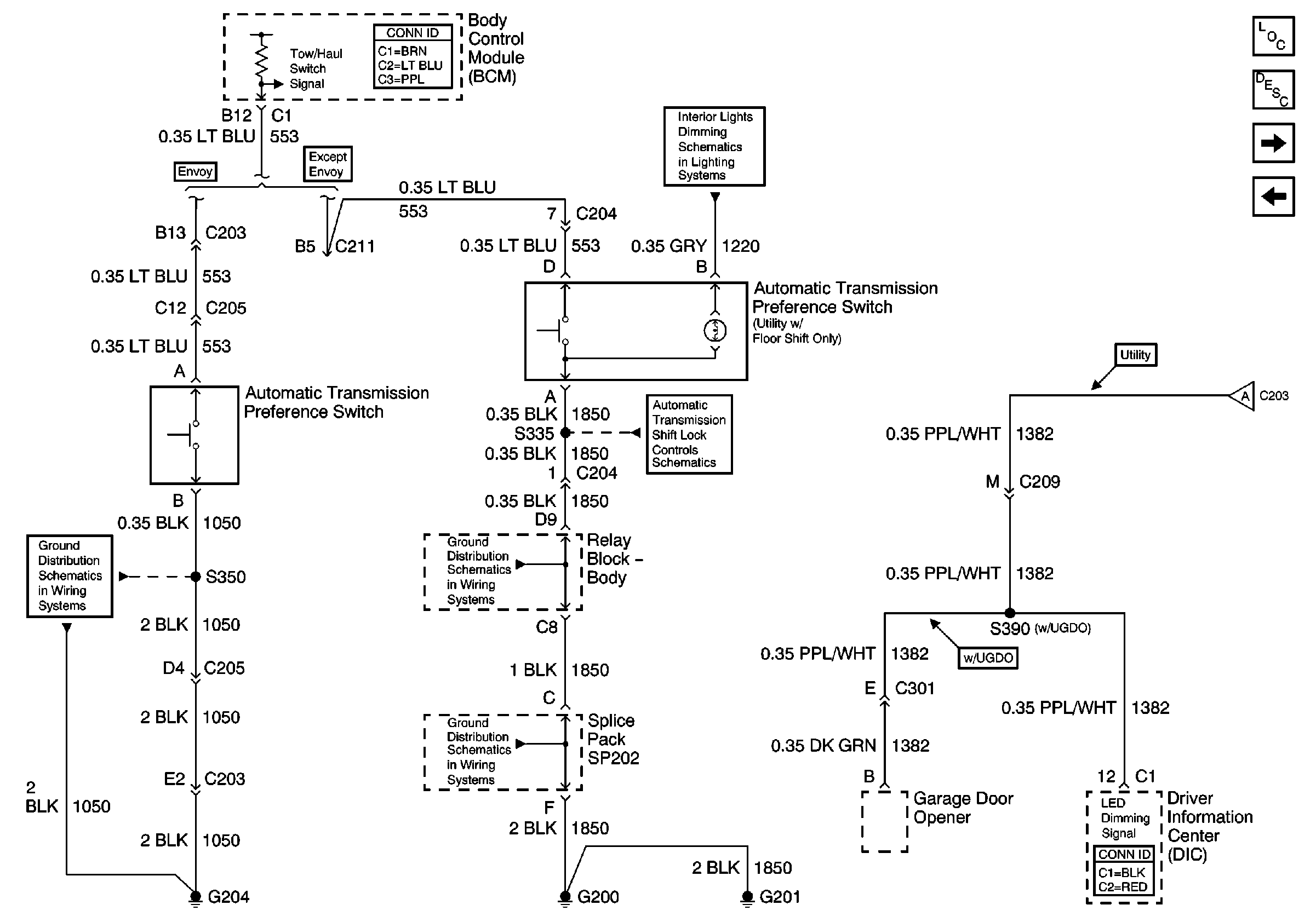
🢒 Automatic Transmission Preference Switch
Automatic Transmission Preference Switch
Automatic Transmission Preference Switch
Master Electrical Component List
Body Control System Description and Operation
Horns
PCM, Data Link Connector (DLC) and Dimming Signal
Instrument Panel Cluster, BCM, and Automatic Transmission Indicators
G204 and G205 (Envoy)
G200, G201 and G207 (Pickup and Crew Cab)
G200, G201 and G207 (Pickup and Crew Cab)
Park/Neutral Position (PNP) Switch and Automatic TransmiSsion Shift Lock Solenoid (4-Door Utility w/ Column Shift)
PCM, Data Link Connector (DLC) and Dimming Signal