GM Service Manual Online
For 1990-2009 cars only
Makes
🢒
Chevrolet
🢒
2001
🢒
Blazer - 2WD
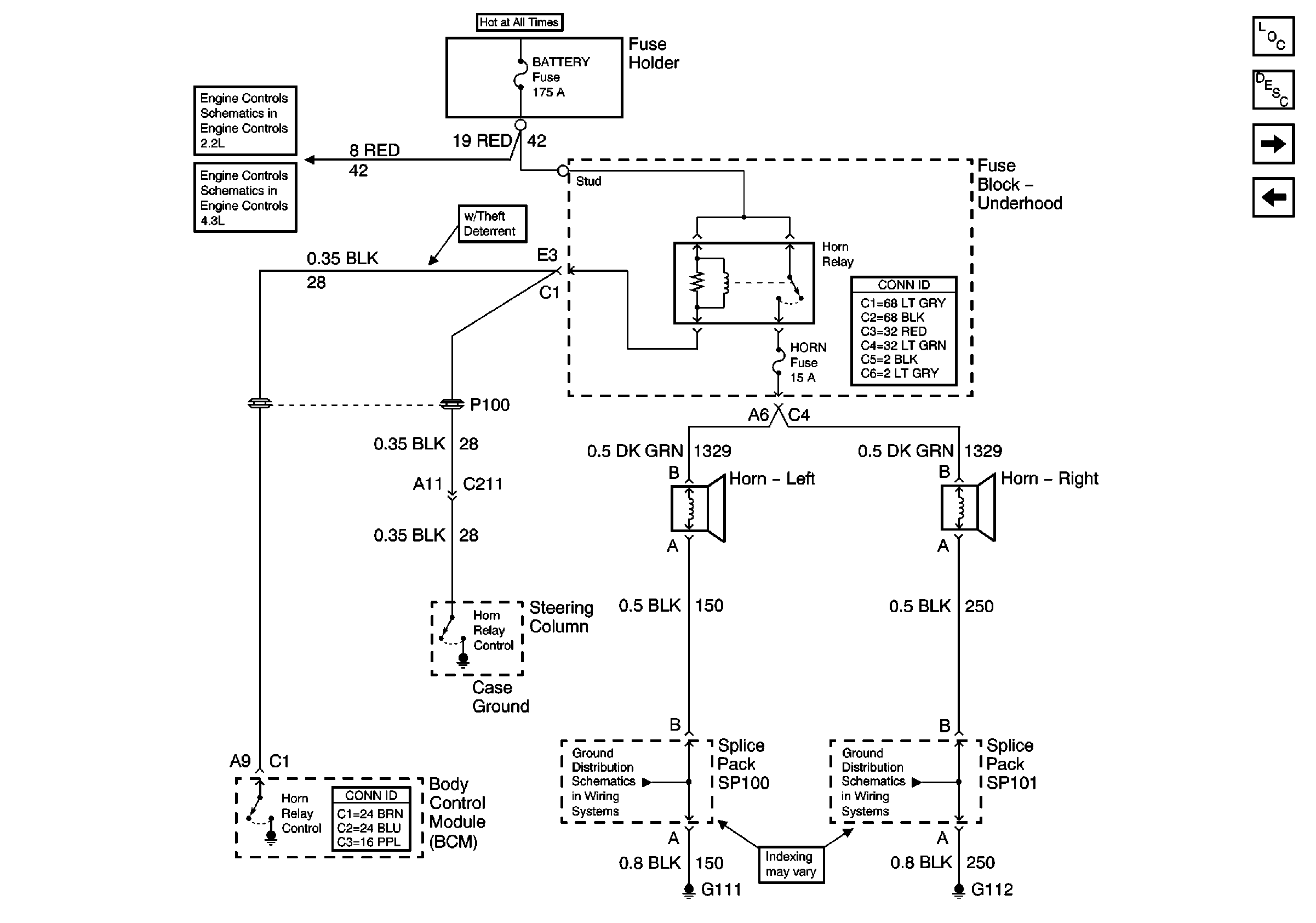
🢒 Horns
Horns
Horns
Master Electrical Component List
Body Control System Description and Operation
Passlock ™ Sensor, Liftglass Relay and RAP Relay
Automatic Transmission Preference Switch
Secondary A.I.R. Pump Control
Secondary AIR Pump Control
G109, G111, G112 and G113 (Except Export)
G109, G111, G112 and G113 (Except Export)