GM Service Manual Online
For 1990-2009 cars only
Makes
🢒
Chevrolet
🢒
2001
🢒
Blazer - 2WD
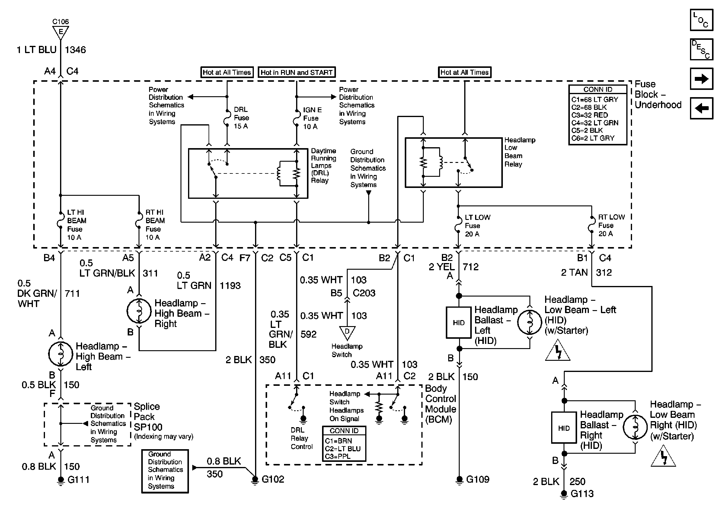
🢒 Headlamps, Low Beam and DRL Relay (Envoy)
Headlamps, Low Beam and DRL Relay (Envoy)
Headlamps, Low Beam and DRL Relay (Envoy)
Master Electrical Component List
Body Control System Description and Operation
Fog Lamps and Park Lamp Relay
Headlamps, High Beam (Envoy)
Headlamps, High Beam (Envoy)
B+ Bus Bar
Ign RUN and START Bus Bar
G102 (Except Export)
G109, G111, G112 and G113 (Except Export)
G102 (Except Export)
Interior Lights and Dome Lamps