GM Service Manual Online
For 1990-2009 cars only
Makes
🢒
Chevrolet
🢒
2001
🢒
Blazer - 2WD
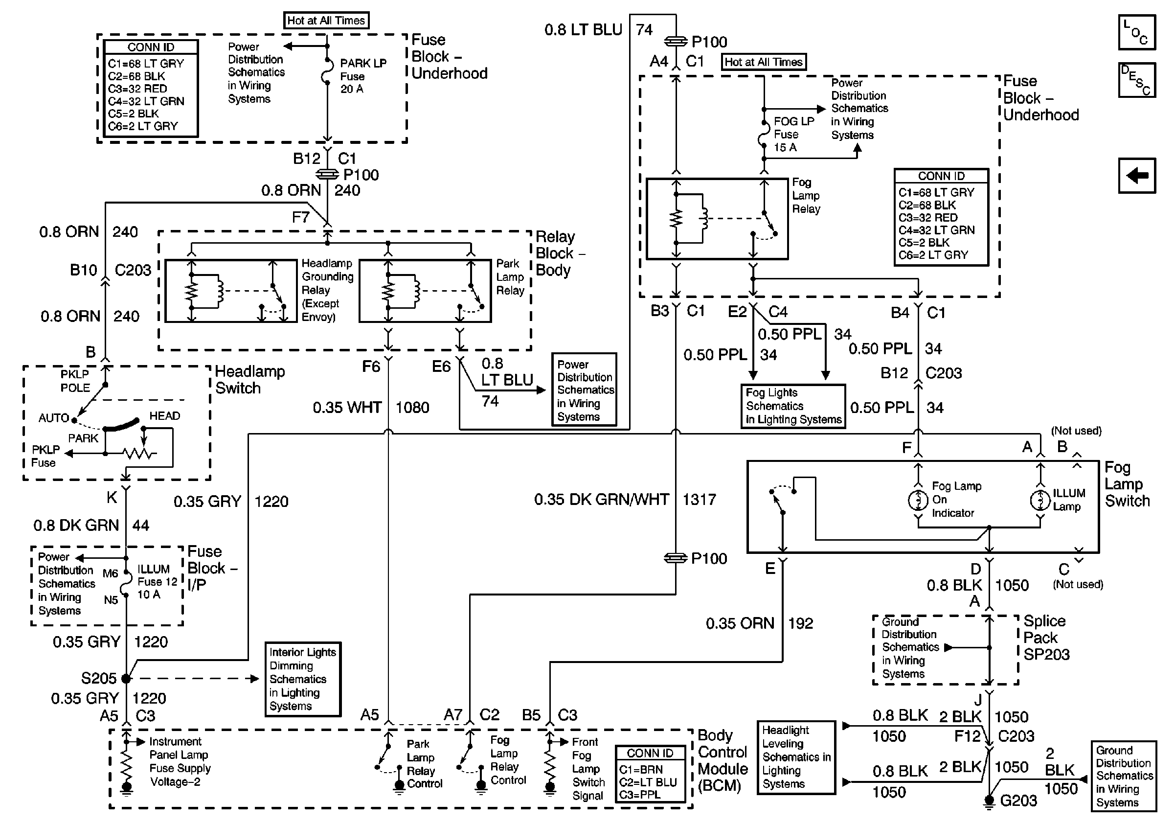
🢒 Fog Lamps and Park Lamp Relay
Fog Lamps and Park Lamp Relay
Fog Lamps and Park Lamp Relay
Master Electrical Component List
Body Control System Description and Operation
Headlamps, Low Beam and DRL Relay (Envoy)
B+ Bus Bar
B+ Bus Bar
ILLUM and PARK LP Fuses
Rear (Export)
ILLUM and PARK LP Fuses
ILLUM Fuse 12
Headlight Leveling Schematics (Export)
G203 and G204 (Envoy)
G203 and G204 (Pickup)