GM Service Manual Online
For 1990-2009 cars only
Makes
🢒
Chevrolet
🢒
2001
🢒
Blazer - 2WD
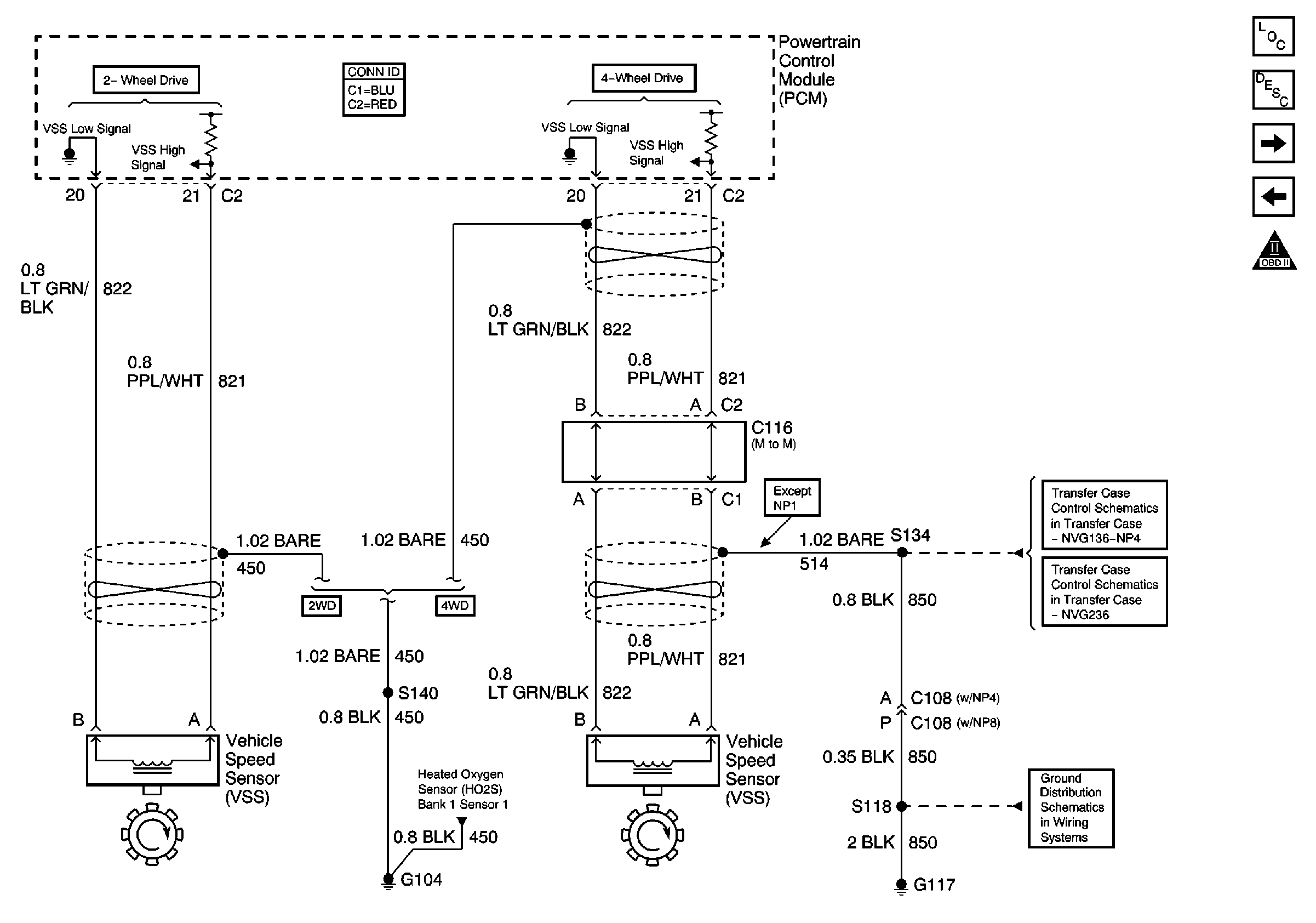
🢒 Vehicle Speed Sensor (VSS)
Vehicle Speed Sensor (VSS)
Vehicle Speed Sensor (VSS)
Master Electrical Component List
Powertrain Control Module Description
Ignition Controls
MAF Sensor and IAC Valve
OBD II Symbol Description Notice
Heated Oxygen Sensors
Speed Sensors
Speed Sensors
G104 and G117