GM Service Manual Online
For 1990-2009 cars only
Makes
🢒
Chevrolet
🢒
2001
🢒
Blazer - 2WD
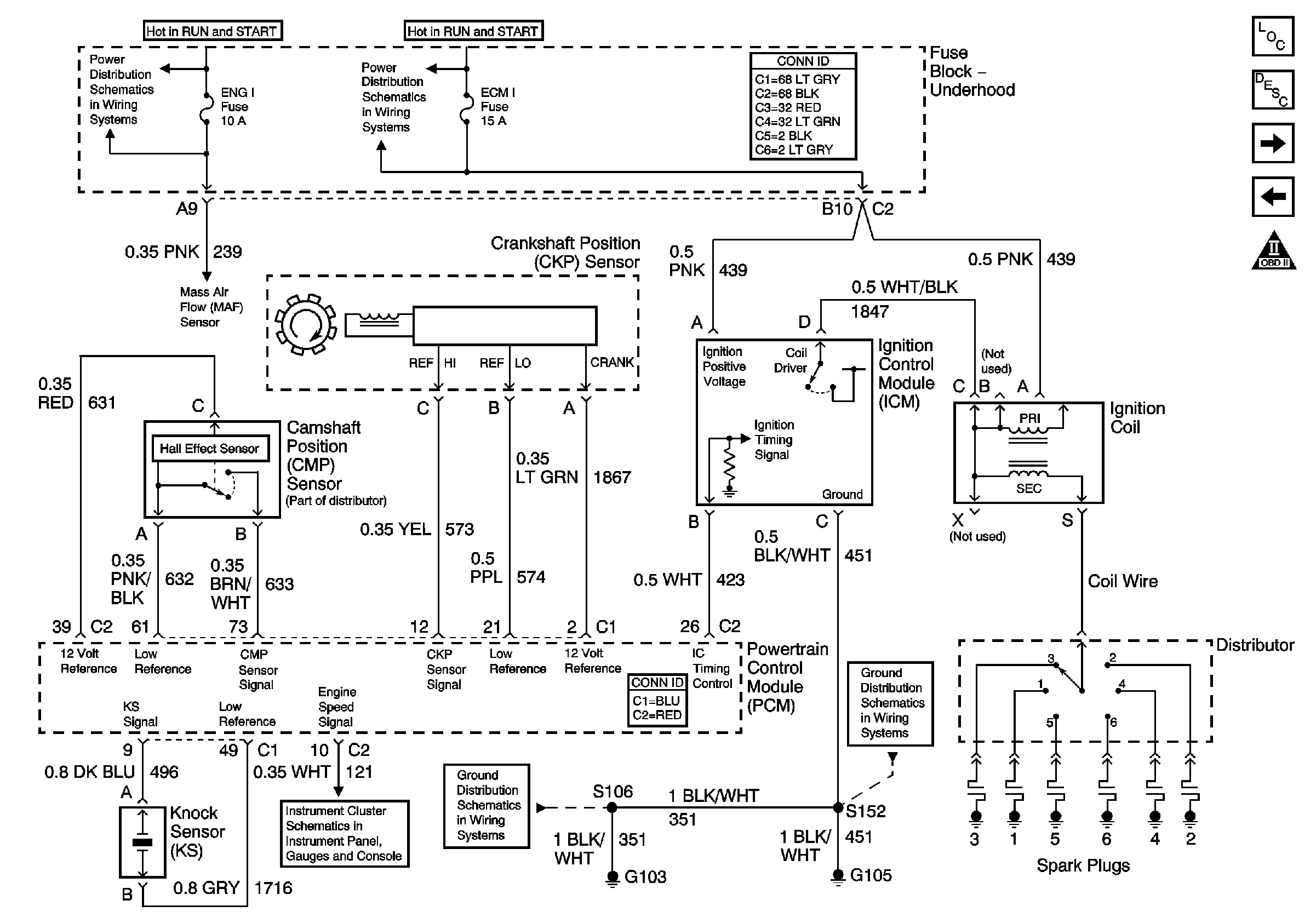
🢒 Ignition Controls
Ignition Controls
Ignition Controls
Master Electrical Component List
Powertrain Control Module Description
Fuel Pump Controls
Vehicle Speed Sensor (VSS)
OBD II Symbol Description Notice
Ign RUN and START Bus Bar
ECM I Fuse
MAF Sensor and IAC Valve
Indicators
G103 and G105 (4.3 L)
G103 and G105 (4.3 L)