GM Service Manual Online
For 1990-2009 cars only
Makes
🢒
Chevrolet
🢒
2001
🢒
Blazer - 2WD
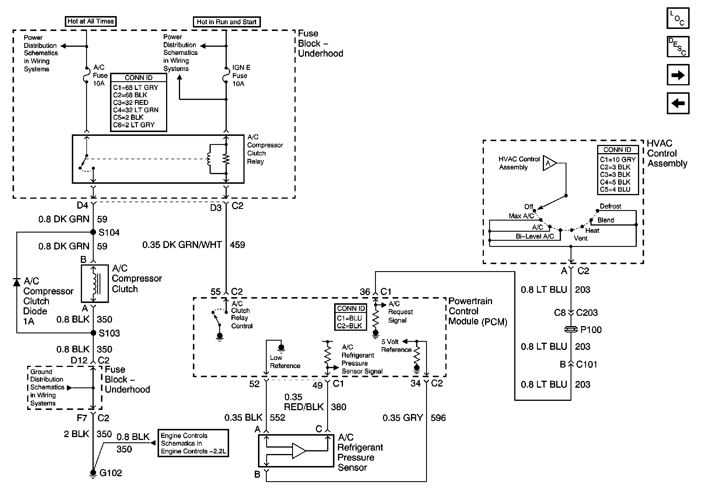
🢒 Compressor Controls (2.2L)
Compressor Controls (2.2L)
Compressor Controls (2.2L)
Master Electrical Component List
Air Temperature Description and Operation 2.2L
Compressor Controls (4.3L)
Blower Controls (RPO C60)
HTD SEAT, ATC, HVAC and A/C Fuses
IGN E Fuse and A/C Compressor, Rear Defogger, DRL Relays
G102 (Except Export)
Oxygen Sensors
Blower Controls (RPO C60)