GM Service Manual Online
For 1990-2009 cars only
Makes
🢒
Chevrolet
🢒
2001
🢒
Blazer - 2WD
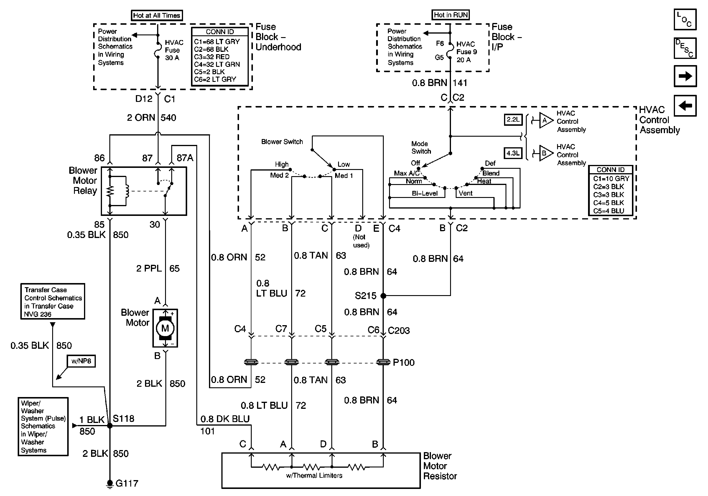
🢒 Blower Controls (RPO C60)
Blower Controls (RPO C60)
Blower Controls (RPO C60)
Master Electrical Component List
Air Temperature Description and Operation 2.2L
Compressor Controls (2.2L)
Blower Controls (RPO C42)
B+ Bus Bar
Ign ACC, RUN and RAP Bus Bar
Compressor Controls (2.2L)
Compressor Controls (4.3L)
Speed Sensors
Pulse Wipers