GM Service Manual Online
For 1990-2009 cars only
Makes
🢒
Chevrolet
🢒
2001
🢒
Blazer - 2WD
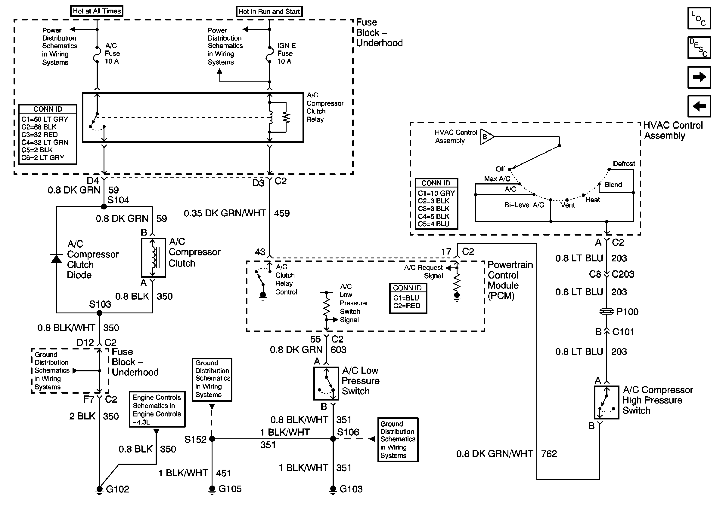
🢒 Compressor Controls (4.3L)
Compressor Controls (4.3L)
Compressor Controls (4.3L)
Master Electrical Component List
Air Temperature Description and Operation 4.3L
Air Delivery/Temperature Controls (Heat Only)
Compressor Controls (2.2L)
HTD SEAT, ATC, HVAC and A/C Fuses
IGN E Fuse and A/C Compressor, Rear Defogger, DRL Relays
Blower Controls (RPO C60)
G102 (Except Export)
Oxygen Sensors
G103 and G105 (4.3 L)
G103 and G105 (4.3 L)