GM Service Manual Online
For 1990-2009 cars only
Makes
🢒
Chevrolet
🢒
2001
🢒
Blazer - 2WD
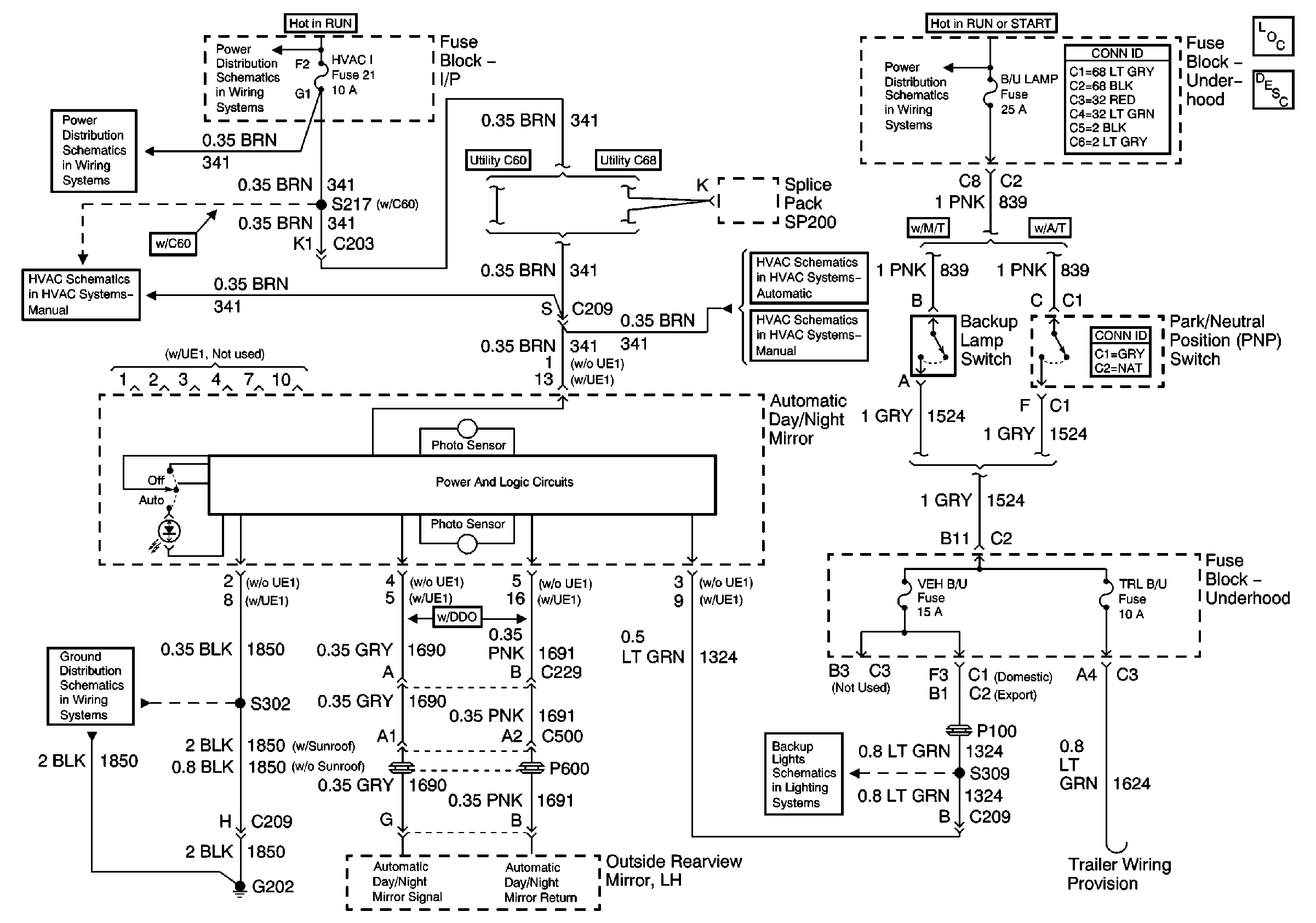
🢒 Automatic Day-Night Mirror Schematics
Automatic Day-Night Mirror Schematics
Master Electrical Component List
Automatic Day-Night Mirror Description and Operation
HVAC I Fuse
Air Delivery/Temperature Controls (Heat and A/C)
G202 (Pickup Except Crew Cab)
Ign ACC, RUN and RAP Bus Bar
HVAC Vacuum Control Solenoid Valve Assembly and Electric Actuator
Air Delivery/Temperature Controls (Heat and A/C)
Backup Lamps (Utility)
Ign RUN and START Bus Bar