GM Service Manual Online
For 1990-2009 cars only
Makes
🢒
Chevrolet
🢒
2001
🢒
Blazer - 2WD
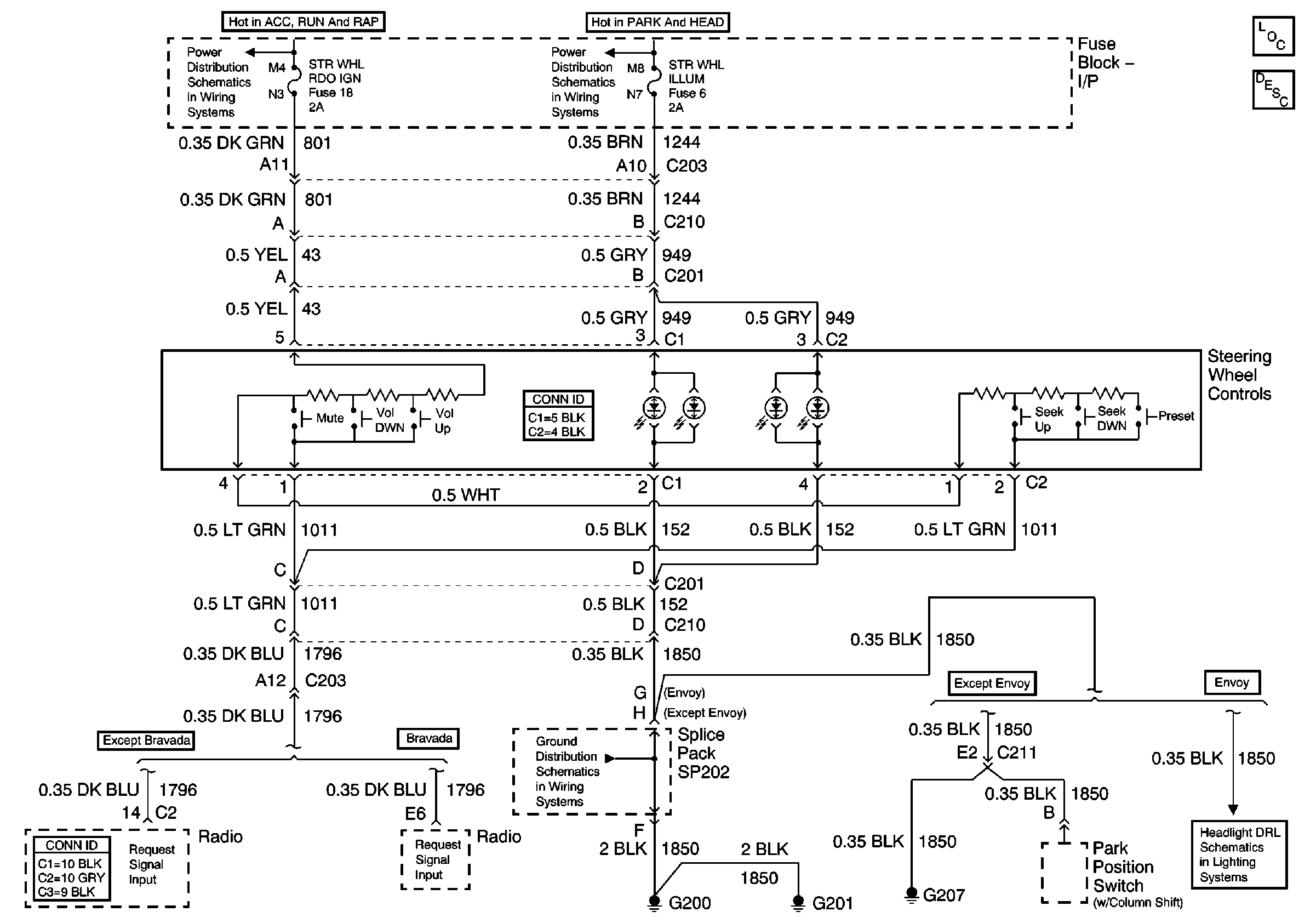
🢒 Steering Wheel Controls Schematics
Steering Wheel Controls Schematics
Master Electrical Component List
Radio/Audio System Description and Operation w/o CTF
Ign ACC, RUN and RAP Bus Bar
ILLUM and PARK LP Fuses
G200, G201 and G207 (Utility)
Park Lamp, High Beam Relays and BCM (Envoy/Diamond Edition 1SK)