GM Service Manual Online
For 1990-2009 cars only
Makes
🢒
Chevrolet
🢒
2001
🢒
Blazer - 2WD
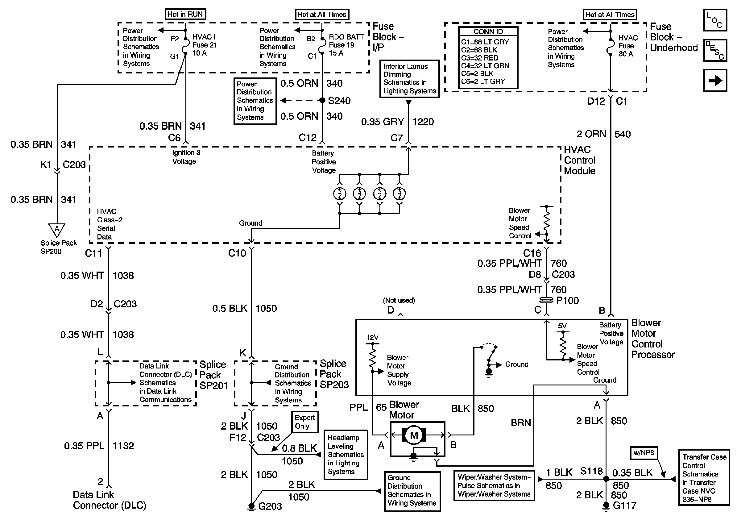
🢒 Blower Controls
Blower Controls
Blower Controls
Master Electrical Component List
Air Temperature Description and Operation
A/C Compressor Clutch Coil, Relay, Diode and High Pressure Cutoff Switch
Ign ACC, RUN and RAP Bus Bar
AUX PWR, RDO BATT and HDLP SW Fuses
AUX PWR, RDO BATT and HDLP SW Fuses
HVAC Vacuum Control Solenoid Valve Assembly and Electric Actuator
SP201 (2.2L)
G203 and G204 (Pickup)
Headlight Leveling Schematics (Export)
ILLUM Fuse 12
B+ Bus Bar
Pulse Wipers
Speed Sensors
Speed Sensors
G203 and G204 (Utility w/ Automatic A/C)