GM Service Manual Online
For 1990-2009 cars only
Makes
🢒
Chevrolet
🢒
2005
🢒
Blazer - 2WD
🢒 Heated Mirrors
Heated Mirrors
Heated Mirrors
Master Electrical Component List
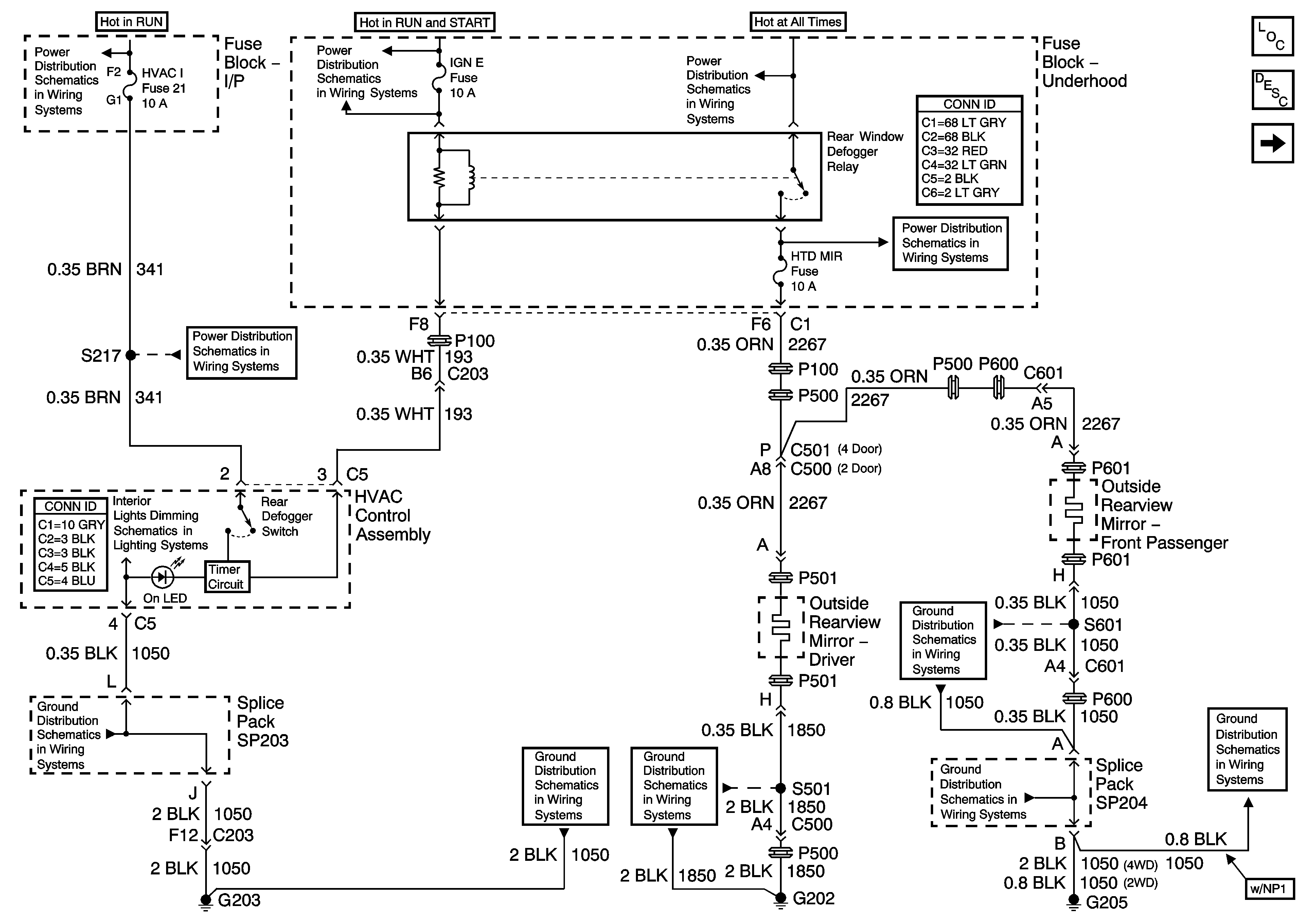
Outside Mirror Description and Operation Heated Mirrors
Outside Rearview Mirror Switch
Ign ACC, RUN and RAP Bus Bar
IGN E Fuse and A/C Compressor Clutch, Rear Window Defogger Relays
B+ Bus Bar
ECM B, HORN, RR DEFOG, HTD MIR Fuses and Fuel Pump, Horn, Rear Window Defogger Relays
HVAC I Fuse
G203 and G204 - Utility w/Manual A/C
G203 and G204 - Utility w/Manual A/C
G203 and G204 - Utility w/Manual A/C
G202
G205
G205
G205