GM Service Manual Online
For 1990-2009 cars only

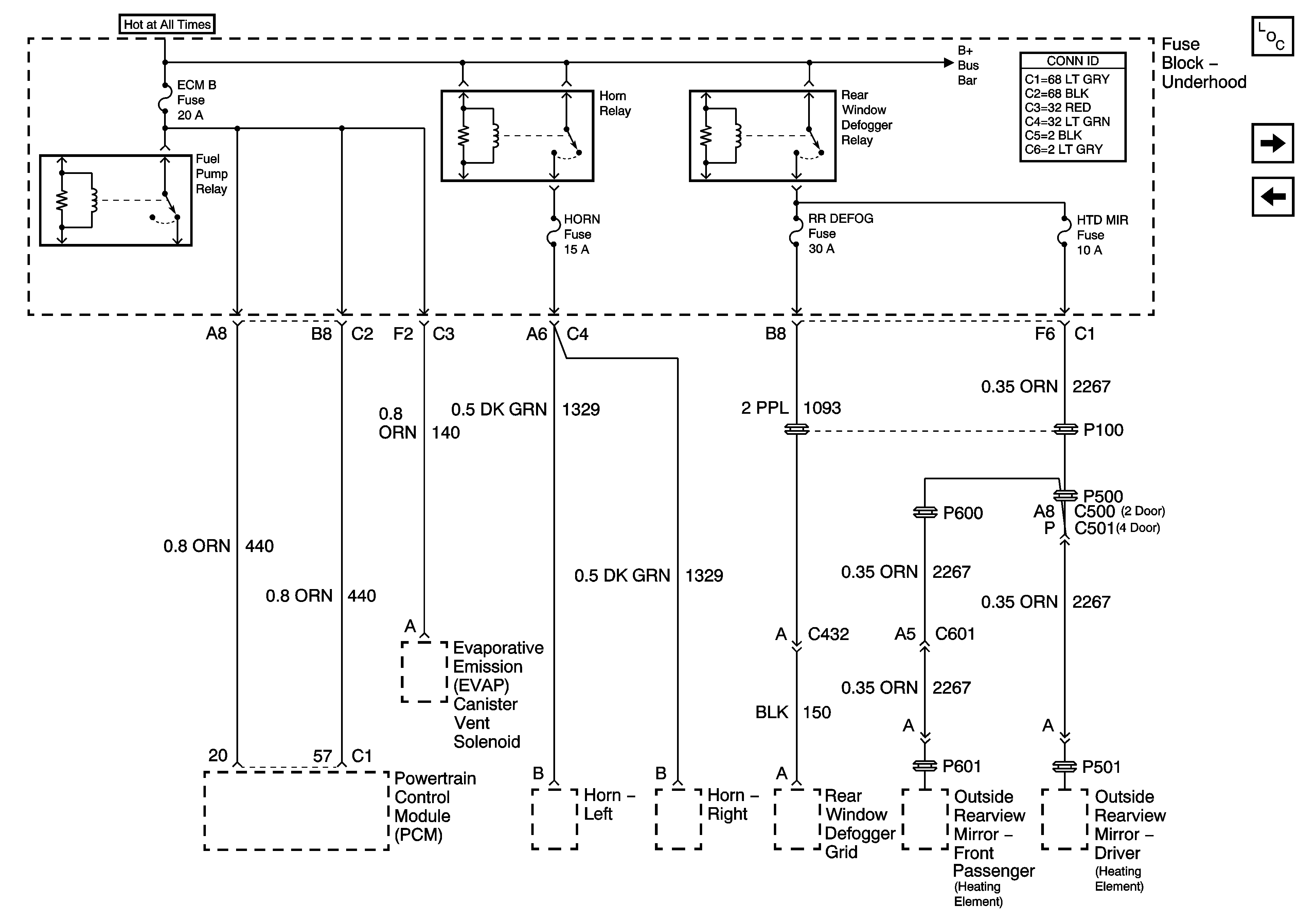
ECM B, HORN, RR DEFOG, HTD MIR Fuses and Fuel Pump, Horn, Rear Window Defogger Relays

ECM B, HORN, RR DEFOG, HTD MIR Fuses and Fuel Pump, Horn, Rear Window Defogger Relays


Object Number: 1509140  Size: FS
Master Electrical Component List
ILLUM, STG WHL ILLUM, and PARK LP Fuses
MIR/LKS, FOG LP Fuses and DRL, Headlamp Power Relays
B+ Bus Bar