GM Service Manual Online
For 1990-2009 cars only
Makes
🢒
Chevrolet
🢒
2005
🢒
Blazer - 2WD
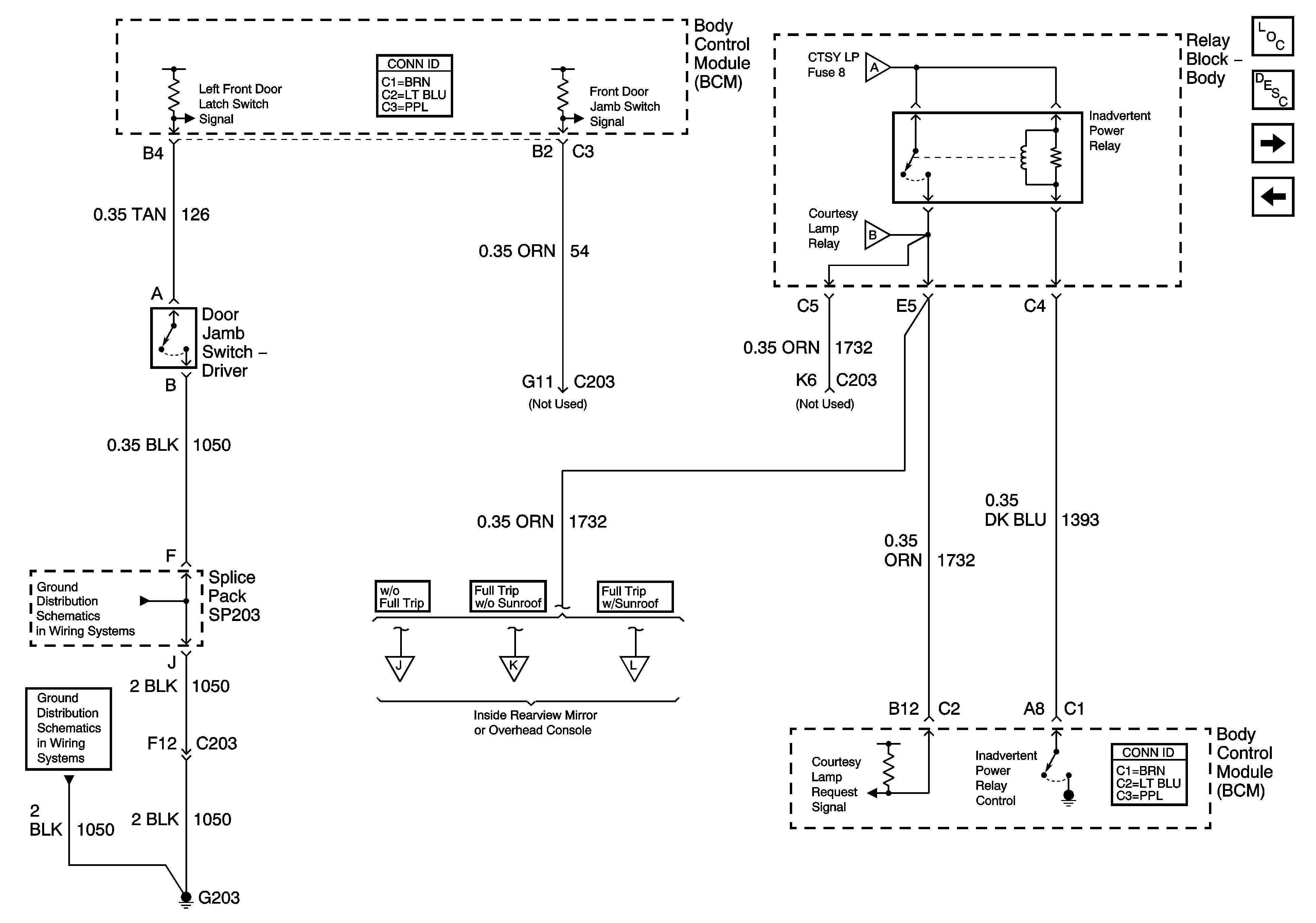
🢒 Inadvertent Power Relay and Front Door Jamb Switches
Inadvertent Power Relay and Front Door Jamb Switches
Inadvertent Power Relay and Front Door Jamb Switches
Master Electrical Component List
Interior Lighting Systems Description and Operation
Rear Door Jamb and Liftglass Ajar Jamb Switches
CTSY LP Fuse and Courtesy Lamp Relay
G203 and G204 - Utility w/Manual A/C
G203 and G204 - Utility w/Manual A/C
G203 and G204 - Utility w/Manual A/C
Inside Rearview Mirror or Driver Information Center
Driver Information Center - Utility w/o Sunroof
Driver Information Display Module - Utility w/ Sunroof
CTSY LP Fuse and Courtesy Lamp Relay
CTSY LP Fuse and Courtesy Lamp Relay