GM Service Manual Online
For 1990-2009 cars only
Makes
🢒
Chevrolet
🢒
2005
🢒
Blazer - 2WD
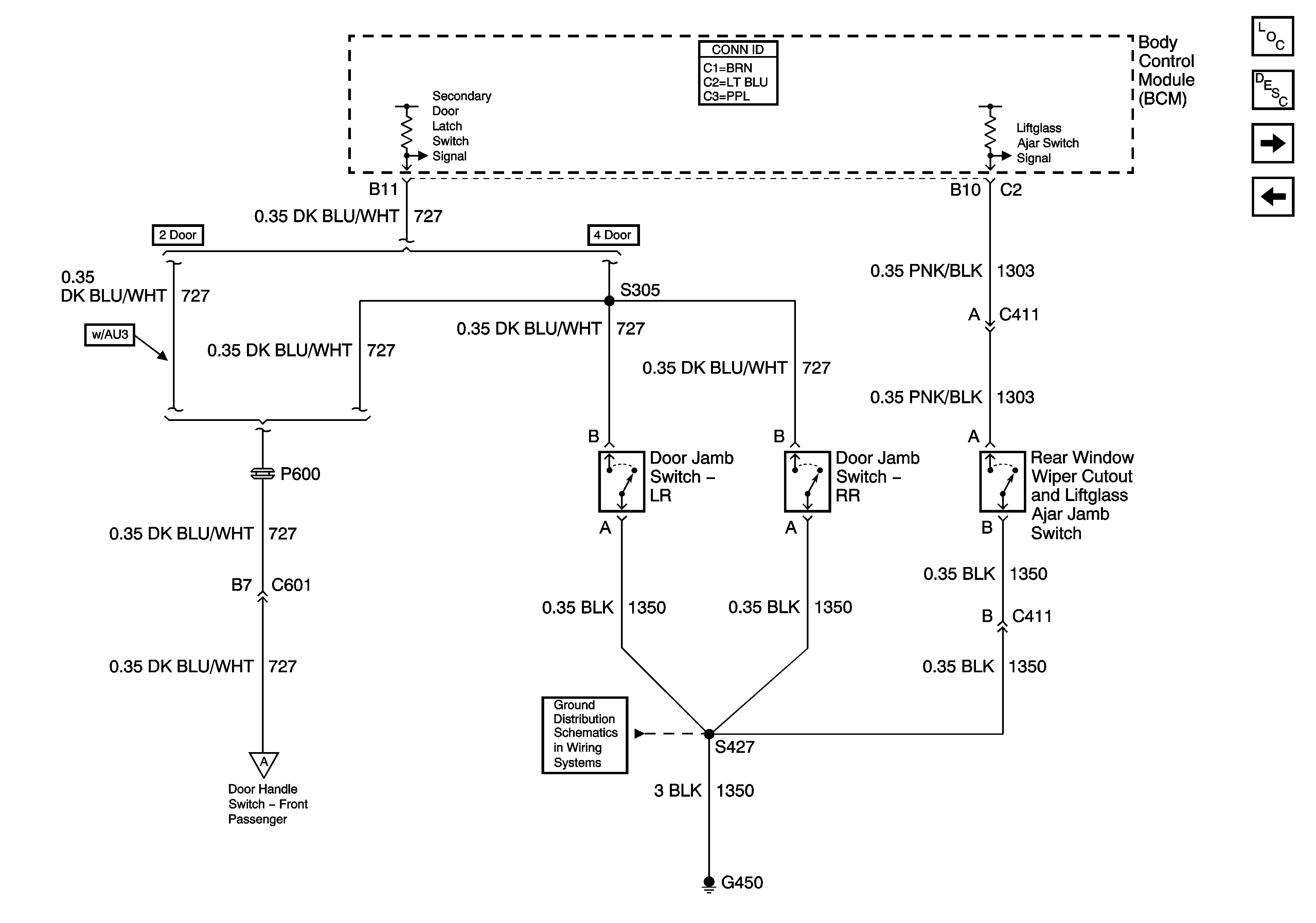
🢒 Rear Door Jamb and Liftglass Ajar Jamb Switches
Rear Door Jamb and Liftglass Ajar Jamb Switches
Rear Door Jamb and Liftglass Ajar Jamb Switches
Master Electrical Component List
Interior Lighting Systems Description and Operation
Inside Rearview Mirror or Driver Information Center
Inadvertent Power Relay and Front Door Jamb Switches
Inadvertent Power Relay and Front Door Jamb Switches
G420, G450 and S427