GM Service Manual Online
For 1990-2009 cars only
Makes
🢒
Chevrolet
🢒
2005
🢒
Blazer - 2WD
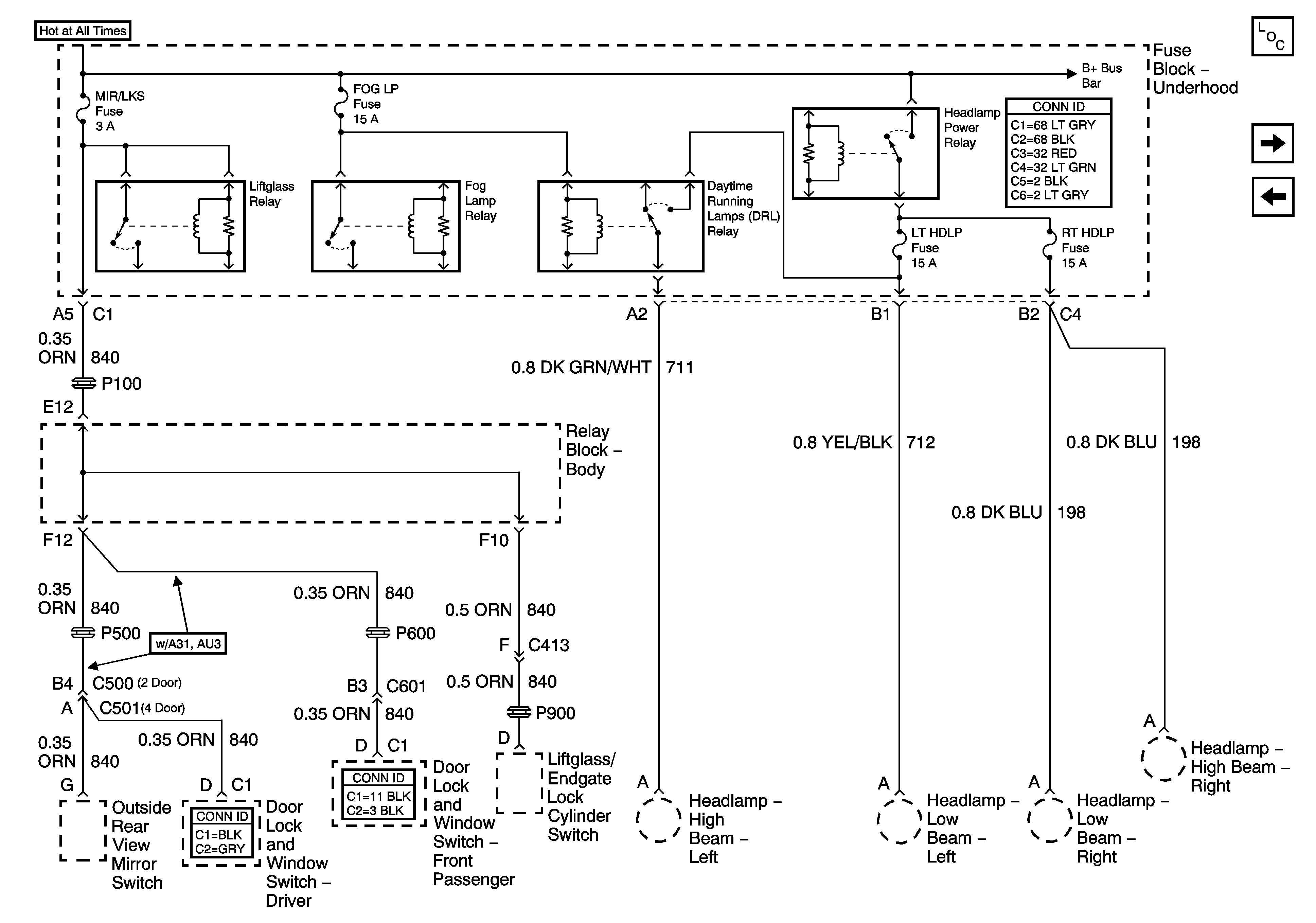
🢒 MIR/LKS, FOG LP Fuses and DRL, Headlamp Power Relays
MIR/LKS, FOG LP Fuses and DRL, Headlamp Power Relays
MIR/LKS, FOG LP Fuses and DRL, Headlamp Power Relays
Master Electrical Component List
ECM B, HORN, RR DEFOG, HTD MIR Fuses and Fuel Pump, Horn, Rear Window Defogger Relays
HTD SEAT, ATC, HVAC and A/C Fuses
B+ Bus Bar