GM Service Manual Online
For 1990-2009 cars only
Makes
🢒
Chevrolet
🢒
2005
🢒
Blazer - 2WD
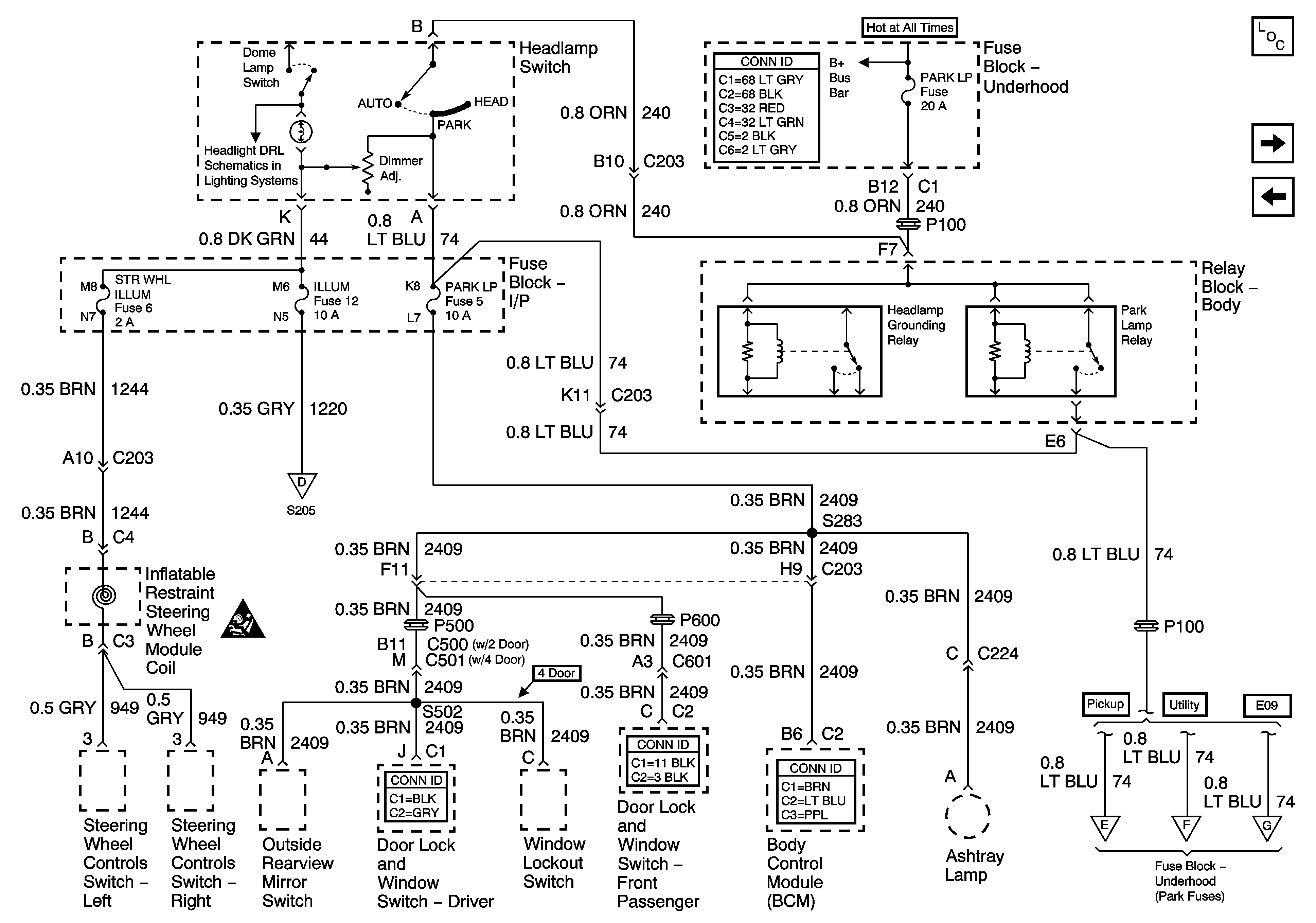
🢒 ILLUM, STG WHL ILLUM, and PARK LP Fuses
ILLUM, STG WHL ILLUM, and PARK LP Fuses
ILLUM and PARK LP Fuses
Master Electrical Component List
ILLUM Power - Pickup Except Crew Cab
ECM B, HORN, RR DEFOG, HTD MIR Fuses and Fuel Pump, Horn, Rear Window Defogger Relays
ILLUM Power - Pickup Except Crew Cab
ILLUM Power
B+ Bus Bar
FR PRK, LR PRK, RR PRK Fuses, and Fog Lamp Relay
FR PRK, LR PRK, RR PRK, TRL PRK Fuses and Fog Lamp Relay