GM Service Manual Online
For 1990-2009 cars only
Makes
🢒
Chevrolet
🢒
2005
🢒
Blazer - 2WD
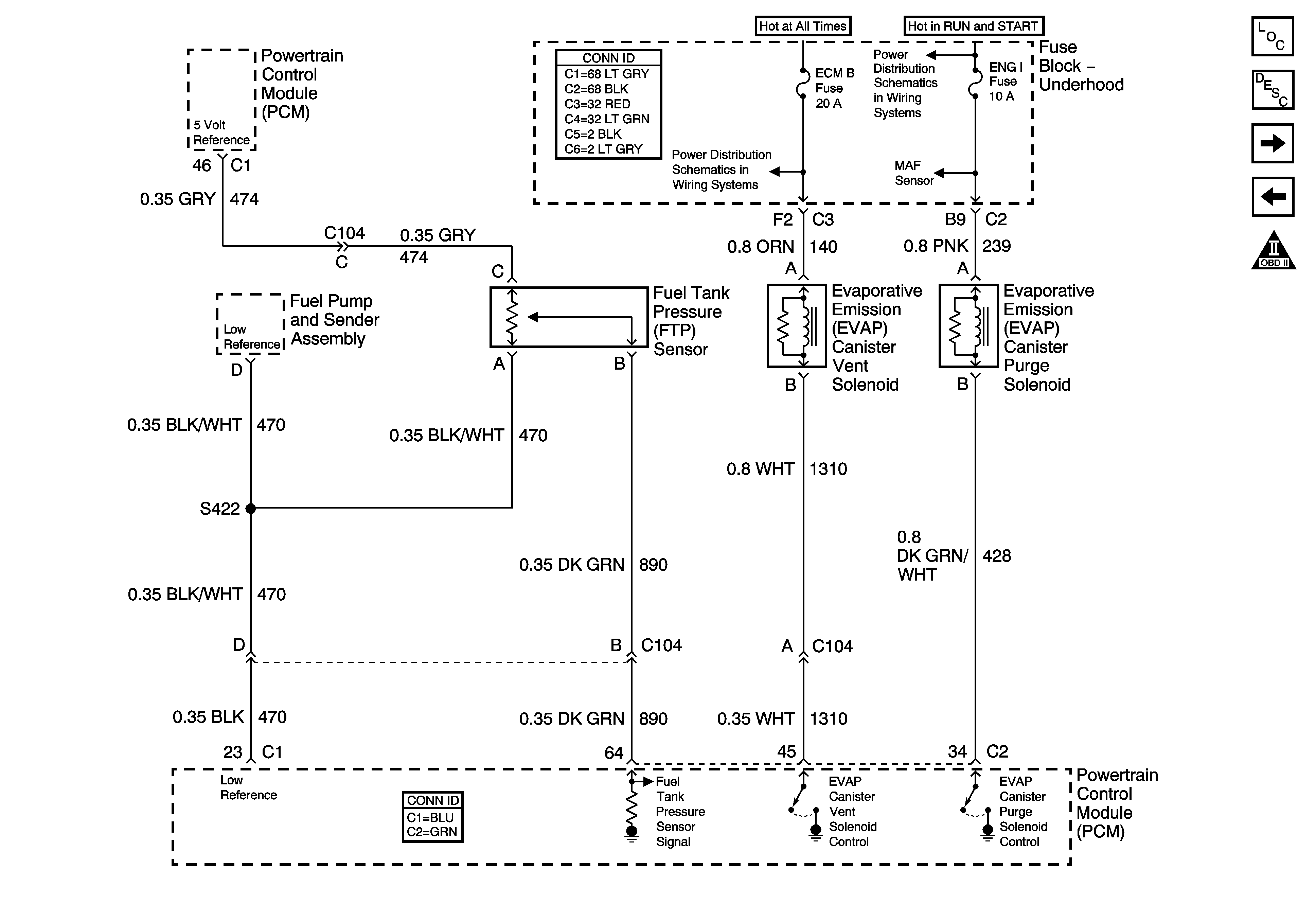
🢒 Fuel Controls - EVAP Controls
Fuel Controls - EVAP Controls
Fuel Controls - EVAP Controls
Master Electrical Component List
Evaporative Emission Control System Description
Device Controls, Controlled/Monitored Subsystem References, and M/T
Fuel Controls - Fuel Injector Controls
OBD II Symbol Description Notice
ENG I and OXYSEN Fuses
Ign RUN and START Bus Bar