GM Service Manual Online
For 1990-2009 cars only
Makes
🢒
Chevrolet
🢒
2005
🢒
Blazer - 2WD
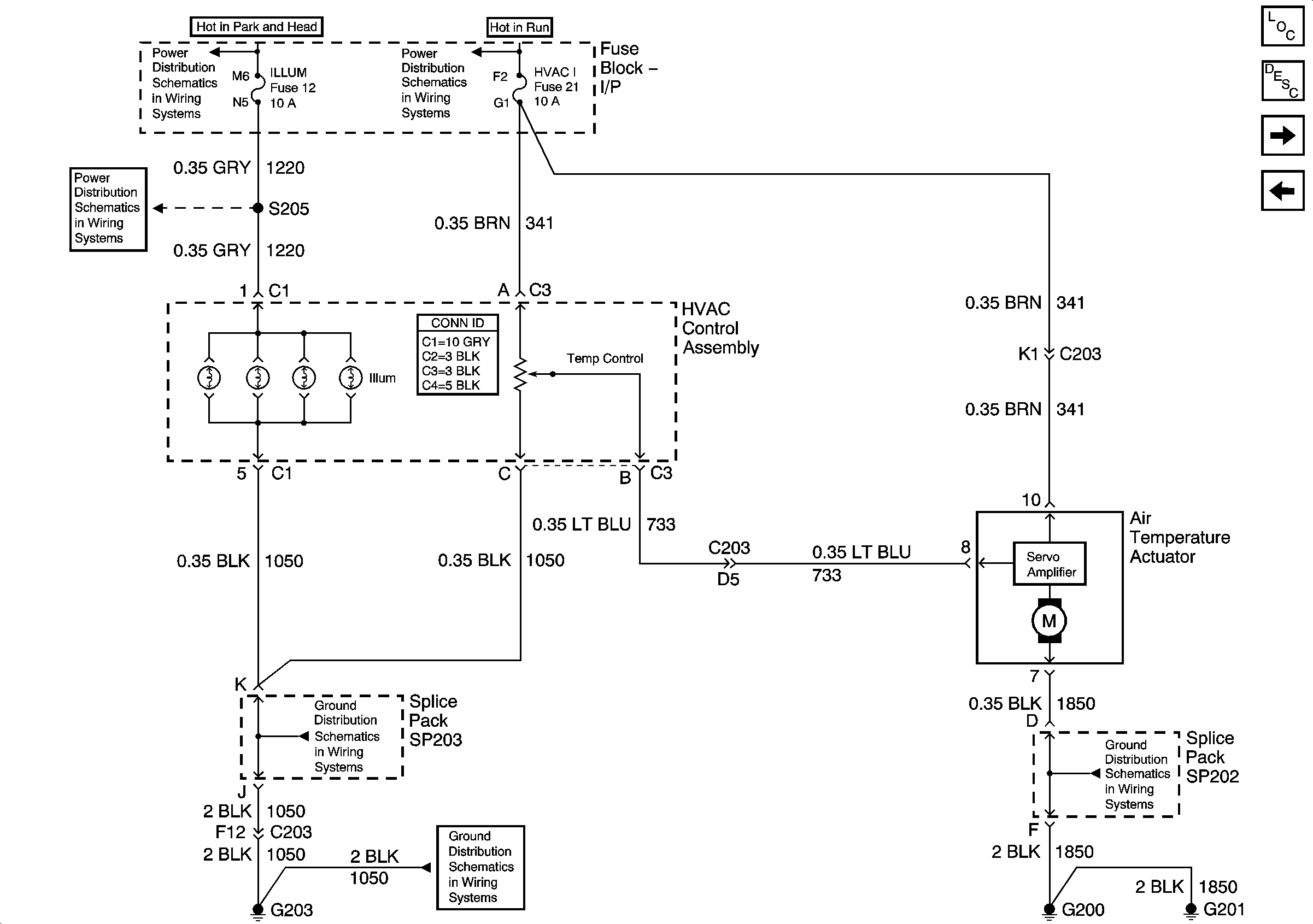
🢒 Air Delivery/Temperature Controls - C42
Air Delivery/Temperature Controls - C42
Air Delivery/Temperature Controls (C42)
Master Electrical Component List
Air Temperature Description and Operation 2.2L
Air Delivery/Temperature Controls - C60
Compressor Controls - 4.3L
ILLUM, STG WHL ILLUM, and PARK LP Fuses
Ign ACC, RUN and RAP Bus Bar
ILLUM Power - Pickup Except Crew Cab
G203 and G204 - Pickup
G203 and G204 - Pickup
G200, G201, G207, and G300- Pickup and Crew Cab