GM Service Manual Online
For 1990-2009 cars only
Makes
🢒
Chevrolet
🢒
2005
🢒
Blazer - 2WD
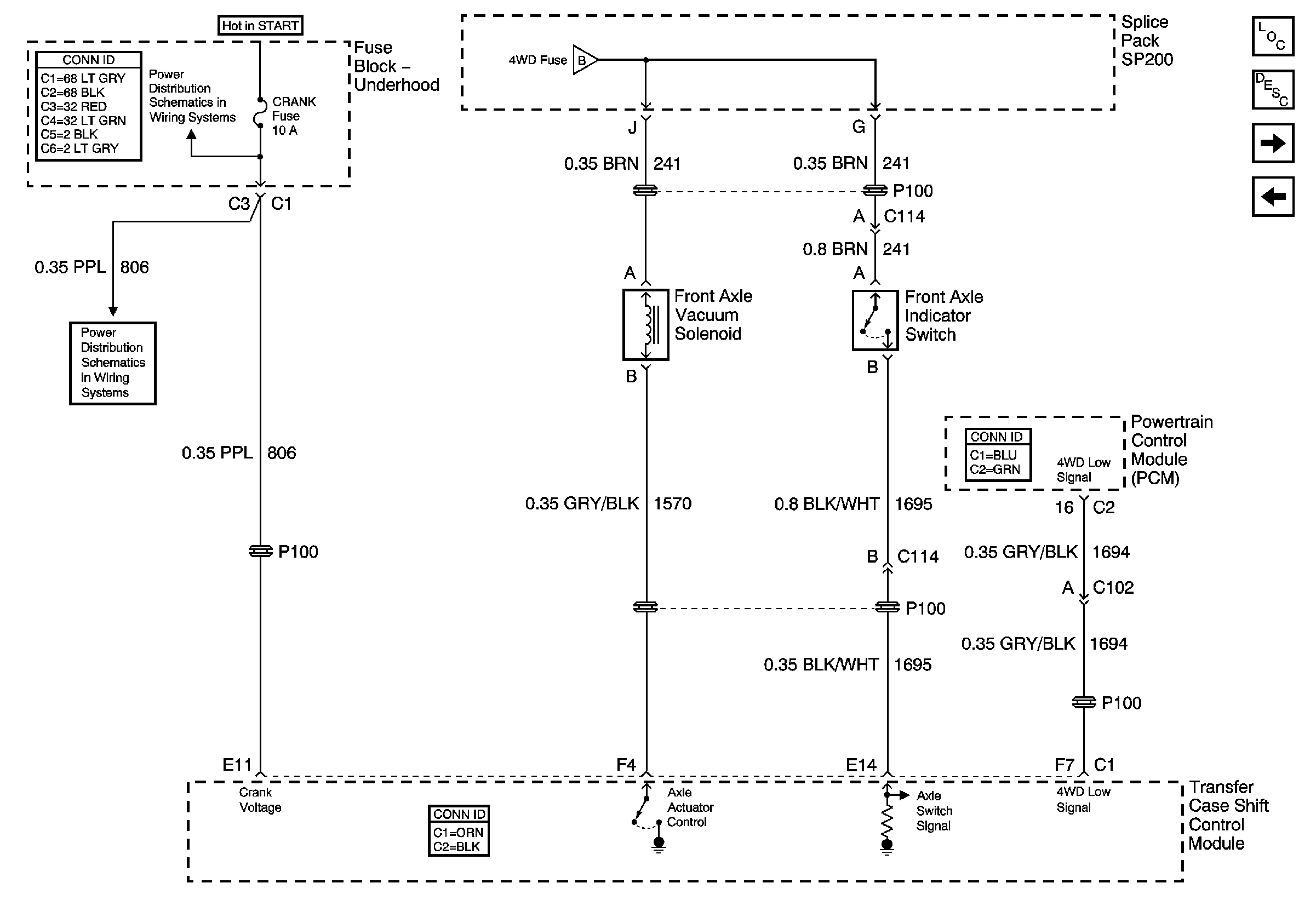
🢒 CRANK Fuse, Front Axle Indicator Switch, and Front Axle Vacuum Solenoid
CRANK Fuse, Front Axle Indicator Switch, and Front Axle Vacuum Solenoid
CRANK Fuse, Front Axle Indicator Switch, and Front Axle Vacuum Solenoid
Master Electrical Component List
Transfer Case Description and Operation
ILLUM Fuse, Shift Control Switch and Body Control Module - BCM
Power, Ground and Transfer Case Encoder Motor
CRANK and CLSTR Fuses
CRANK and CLSTR Fuses
Power, Ground and Transfer Case Encoder Motor