GM Service Manual Online
For 1990-2009 cars only
Makes
🢒
Chevrolet
🢒
2000
🢒
Blazer - 4WD - RHD
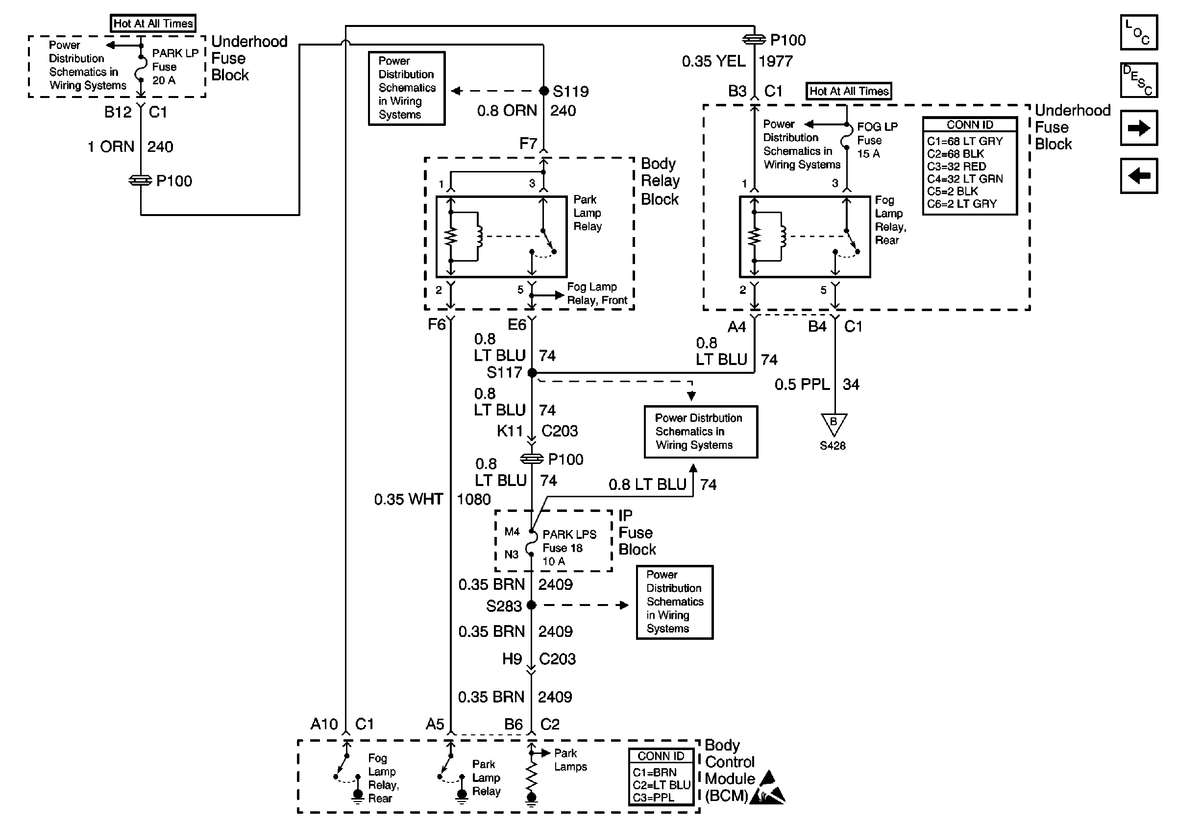
🢒 Fog Lamp Relay, Rear
Fog Lamp Relay, Rear
Fog Lamp Relay, Rear
Lighting Systems Component Views
Fog Lights Circuit Description
Rear Fog Lamps, LH/RH, and Fog Lamp Switch, Rear
Front Fog Lamps, LH/RH, and Fog Lamp Switch, Front
B+ Bus Bar
PARK LP, FR PRK, LR PRK, RR PRK, and TRL PRK Fuses
Fog Lamp Relay, Front
PARK LP, FR PRK, LR PRK, RR PRK, and TRL PRK Fuses
ILLUM and PARK LP Fuses
Body Control System Connector End Views
Handling ESD Sensitive Parts Notice
B+ Bus Bar
Rear Fog Lamps, LH/RH, and Fog Lamp Switch, Rear
Power and Grounding Connector End Views