GM Service Manual Online
For 1990-2009 cars only
Makes
🢒
Chevrolet
🢒
2000
🢒
Blazer - 4WD - RHD
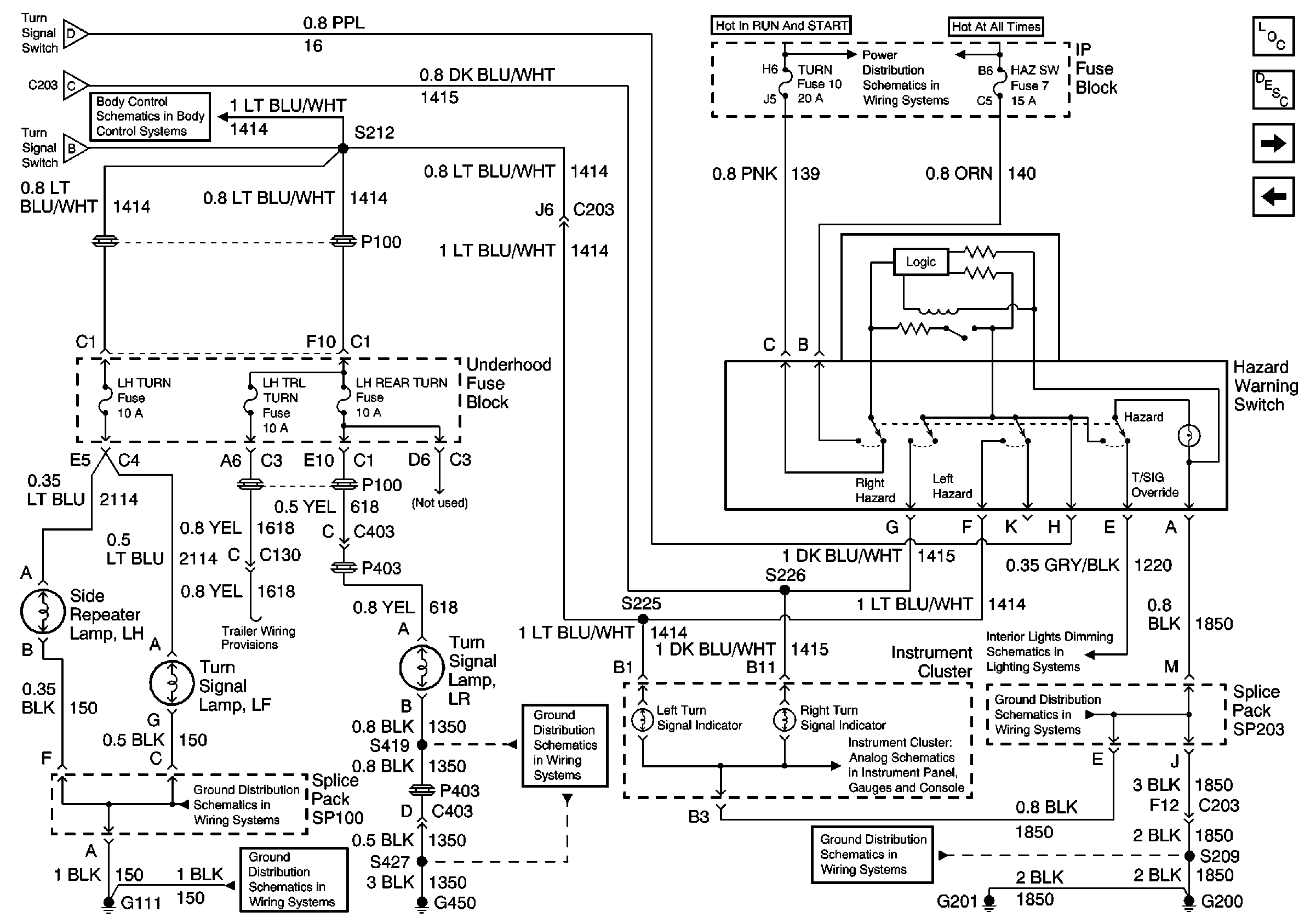
🢒 Hazard Switch, TURN, and HAZ LP Fuses
Hazard Switch, TURN, and HAZ LP Fuses
Hazard Switch, TURN, and HAZ LP Fuses
Lighting Systems Component Views
Exterior Lights Circuit Description
STOP LP, VEH HMSL, and TRL HMSL Fuses
Turn Signal Switch, RH TURN, RH REAR TURN, and TRL TURN Fuses
Turn Signal Switch, RH TURN, RH REAR TURN, and TRL TURN Fuses
Instrument Cluster, LT TURN and RT TURN Fuses
Ign START, RUN and ACC Bus Bar
Power and Grounding Connector End Views
G111 and G112
G111 and G112
G450
Power
G200 and G201
Hazard Switch, Radio, Instrument Cluster and Ground
SP203