GM Service Manual Online
For 1990-2009 cars only
Makes
🢒
Chevrolet
🢒
2000
🢒
Blazer - 4WD - RHD
🢒 Interior Lamps
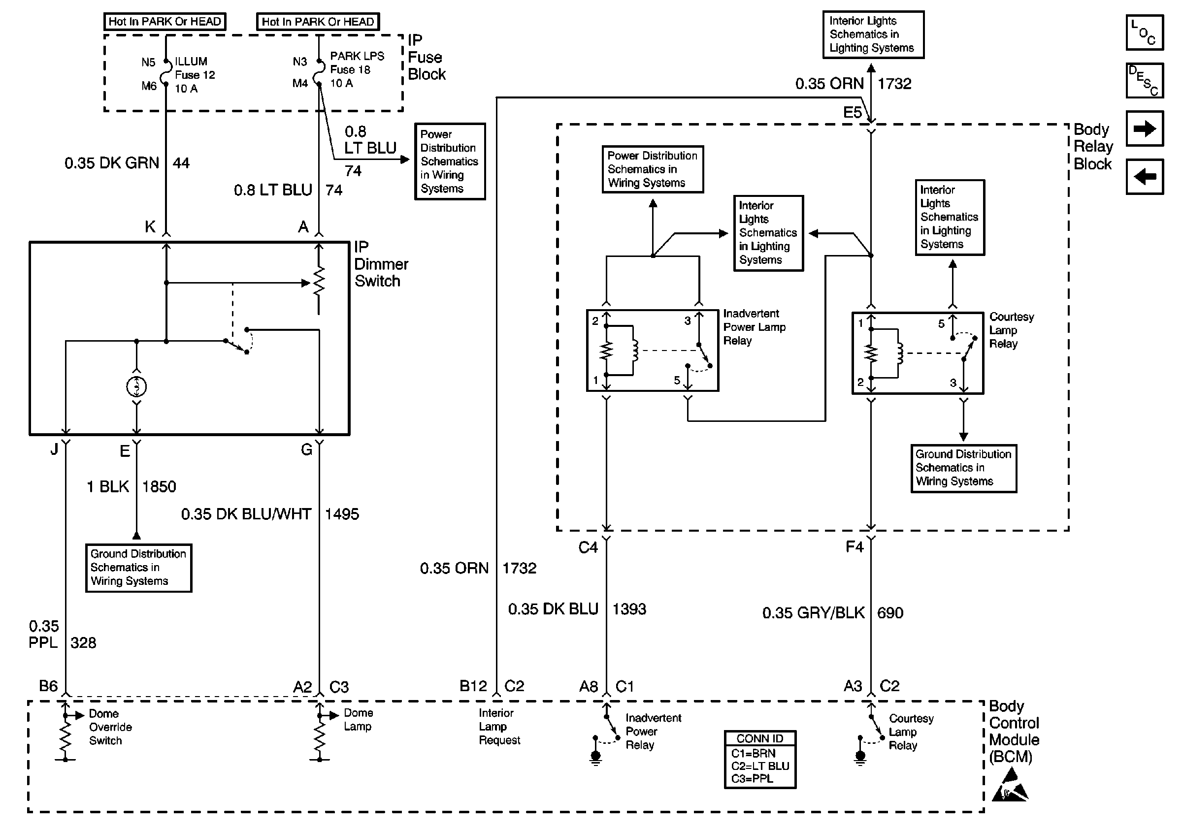
Interior Lamps
Interior Lamps
Body Control Module Components
Body Control System Circuit Description
Exterior Lights
Horns
ILLUM and PARK LP Fuses
SP203
STUD 2, INT BAT, CIGAR LTR, CTSY LP and PWR LKS Fuses
CTSY LP Fuse and Body Control Module (BCM)
CTSY LP Fuse and Body Control Module (BCM)
G203 and G205
Body Control System Connector End Views
Handling ESD Sensitive Parts Notice