GM Service Manual Online
For 1990-2009 cars only
Makes
🢒
Chevrolet
🢒
2000
🢒
Blazer - 4WD - RHD
🢒 Exterior Lights
Exterior Lights
Exterior Lights
Body Control Module Components
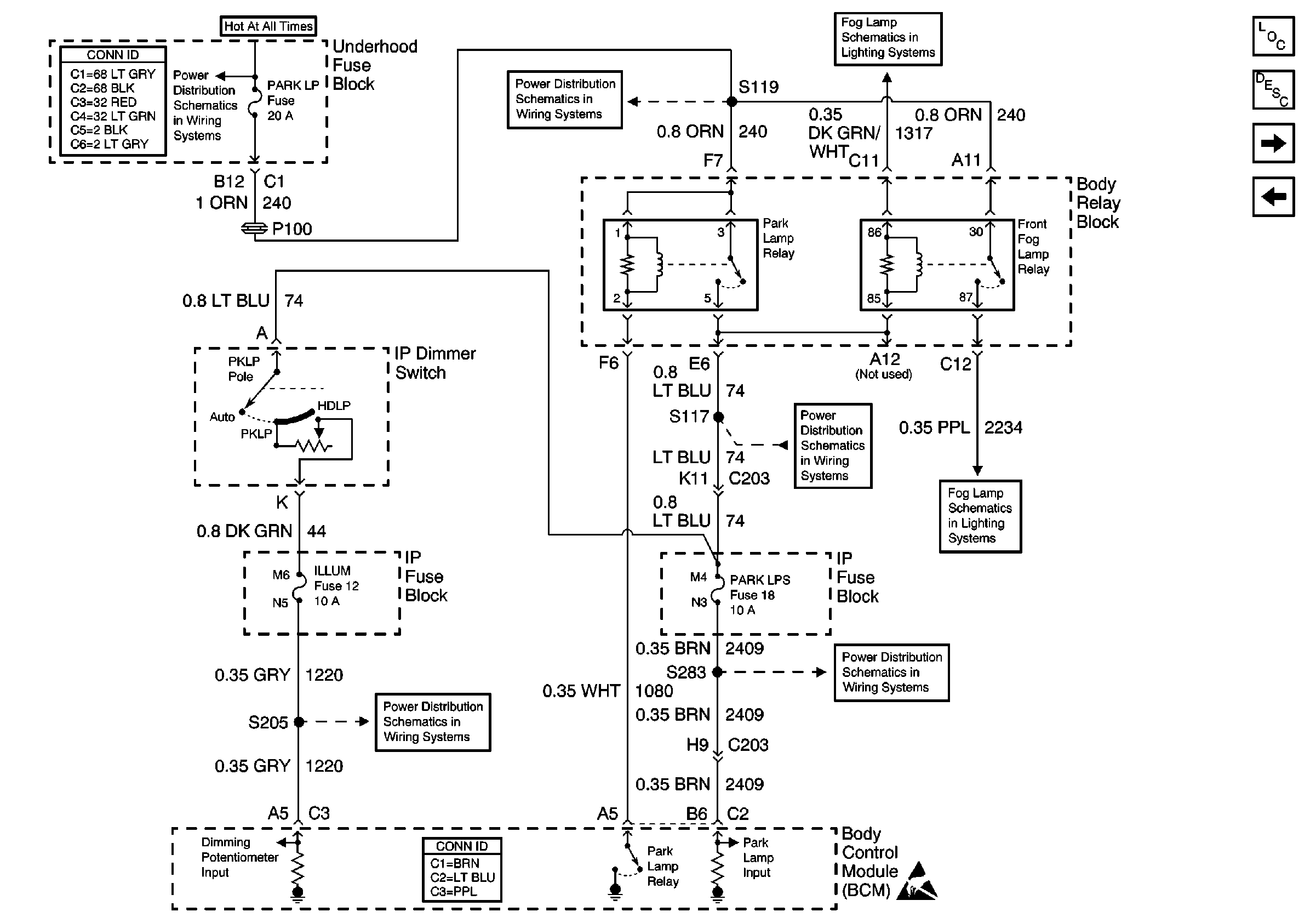
Body Control System Circuit Description
Headlights
Interior Lamps
Power and Grounding Connector End Views
B+ Bus Bar
PARK LP, FR PRK, LR PRK, RR PRK, and TRL PRK Fuses
Fog Lamp Relay, Front
ILLUM and PARK LP Fuses
Body Control System Connector End Views
PARK LP, FR PRK, LR PRK, RR PRK, and TRL PRK Fuses
Front Fog Lamps, LH/RH, and Fog Lamp Switch, Front
ILLUM and PARK LP Fuses
Handling ESD Sensitive Parts Notice