GM Service Manual Online
For 1990-2009 cars only
Makes
🢒
Chevrolet
🢒
2000
🢒
Blazer - 4WD - RHD
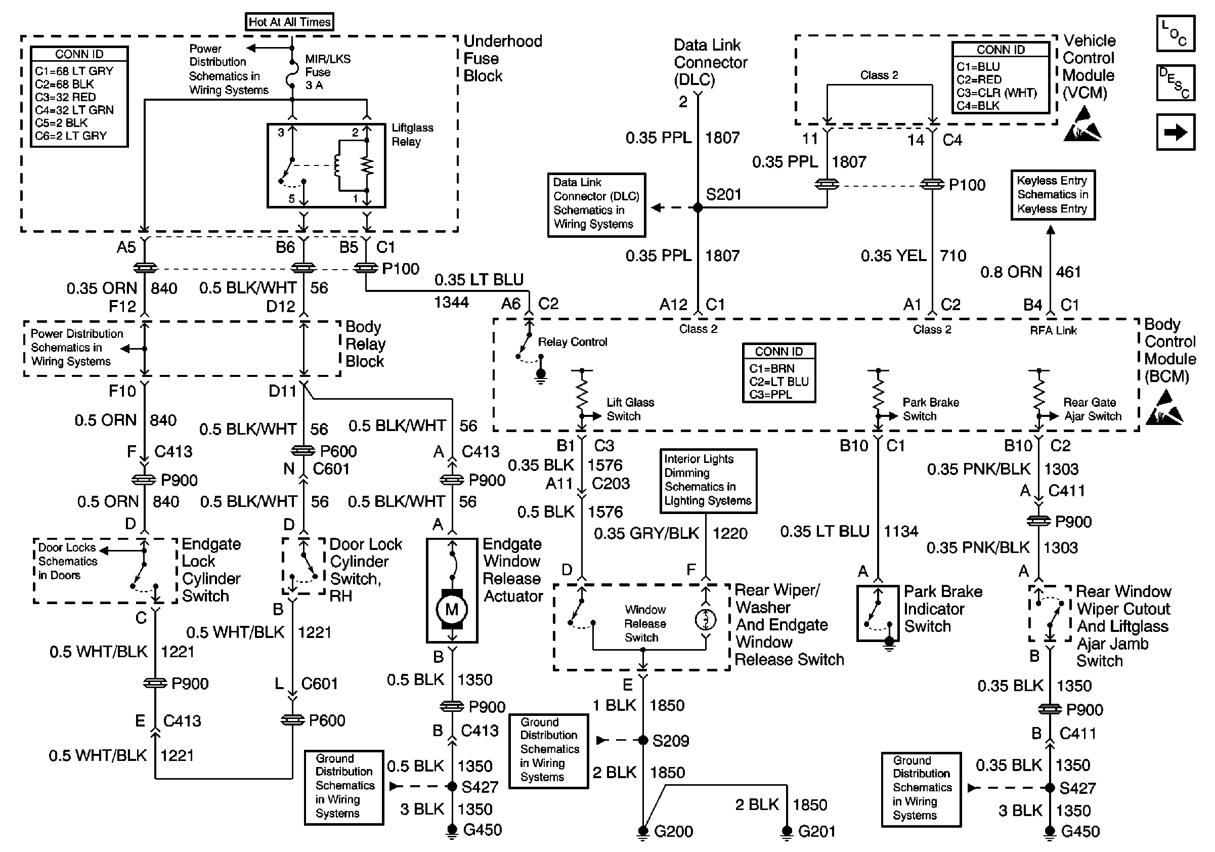
🢒 Endgate Window Release Actuator and Switch
Endgate Window Release Actuator and Switch
Endgate Window Release Actuator and Switch
Body Rear End Components
Endgate Power Window Circuit Description
Gate Ajar Indicator
Power and Grounding Connector End Views
MIR/LKS, LH HDLP and RH HDLP Fuses
MIR/LKS, LH HDLP and RH HDLP Fuses
Underhood Fuse Block and Endgate Lock Cylinder Switch
G450
S201
G200 and G201
Hazard Switch, Radio, Instrument Cluster and Ground
VCM Connector End Views
Handling ESD Sensitive Parts Notice
Handling ESD Sensitive Parts Notice
G450
Body Control System Connector End Views