GM Service Manual Online
For 1990-2009 cars only
Makes
🢒
Chevrolet
🢒
2000
🢒
Blazer - 4WD - RHD
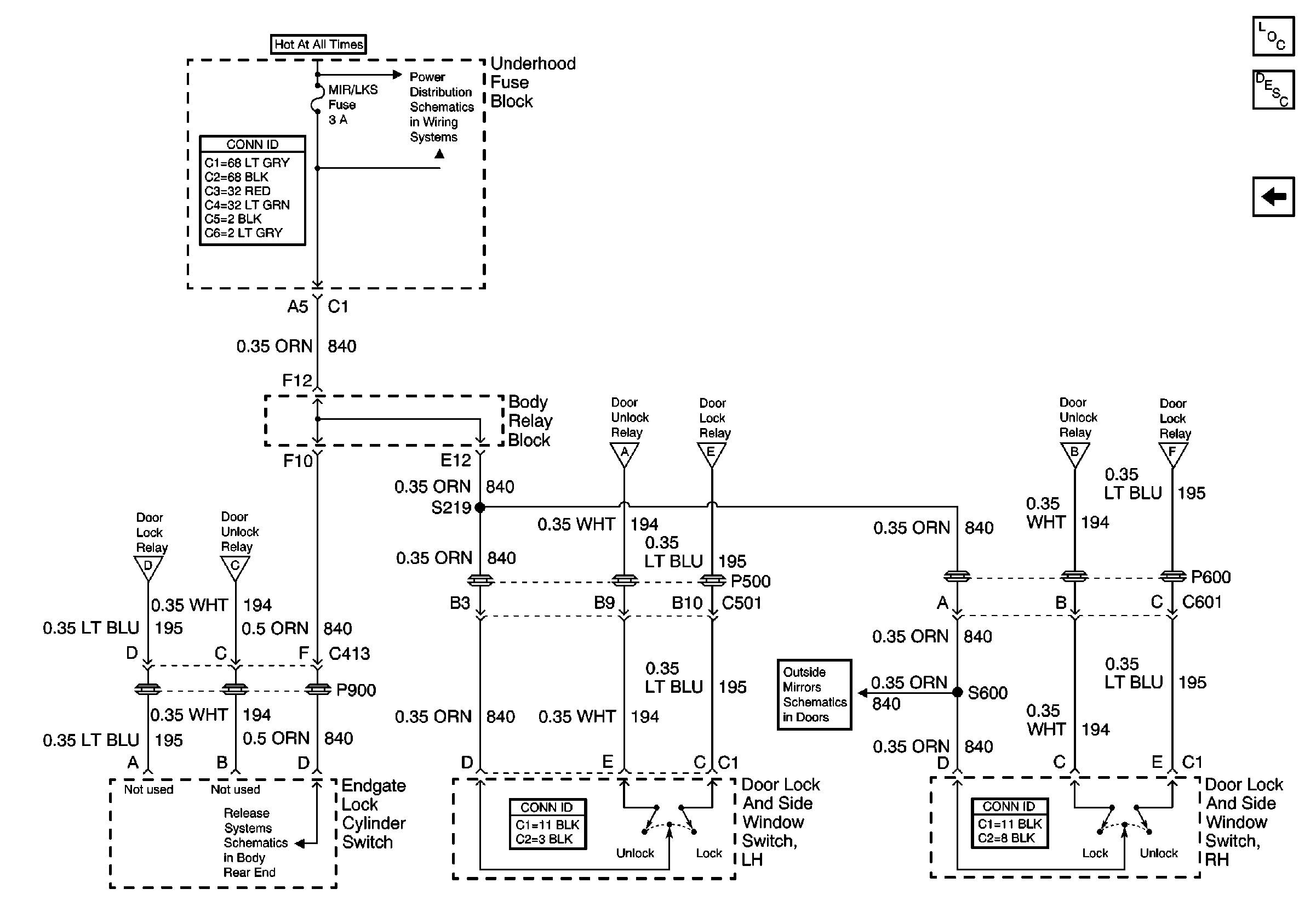
🢒 Underhood Fuse Block and Endgate Lock Cylinder Switch
Underhood Fuse Block and Endgate Lock Cylinder Switch
Underhood Fuse Block and Endgate Lock Cylinder Switch
Power Door Systems Components
Power Door Locks Circuit Description
IP Fuse Block, Body Relay Block and BCM
Power and Grounding Connector End Views
MIR/LKS, LH HDLP and RH HDLP Fuses
IP Fuse Block, Body Relay Block and BCM
Endgate Window Release Actuator and Switch
IP Fuse Block, Body Relay Block and BCM
IP Fuse Block, Body Relay Block and BCM
Power Door Systems Connector End Views
Outside Rear View Mirror Controls
Power Door Systems Connector End Views