GM Service Manual Online
For 1990-2009 cars only
Makes
🢒
Chevrolet
🢒
2000
🢒
Blazer - 4WD - RHD
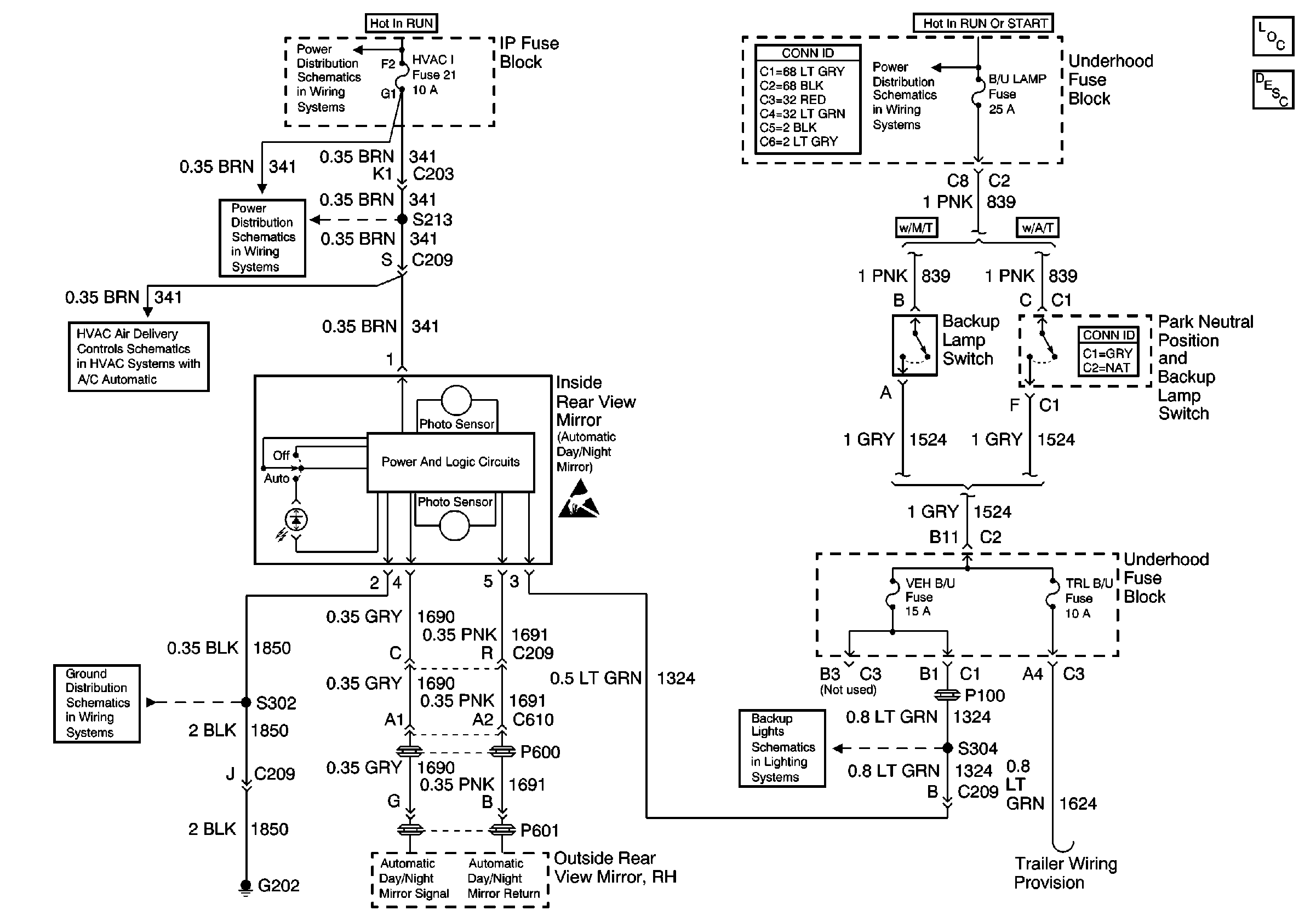
🢒 Automatic Day-Night Mirrors Schematics
Automatic Day-Night Mirrors Schematics
Stationary Windows Components
Automatic Day-Night Mirrors Circuit Description
Ign RUN and START Bus Bar
4WD and HVAC I Fuses
ECC Module, Power and Ground
G202 and G204
Handling ESD Sensitive Parts Notice
Power and Grounding Connector End Views
Ign START, RUN and ACC Bus Bar
Shift Lock Control Connector End Views
Backup Lights