GM Service Manual Online
For 1990-2009 cars only
Makes
🢒
Chevrolet
🢒
2001
🢒
Blazer - 4WD - RHD
🢒 Defogger Schematics
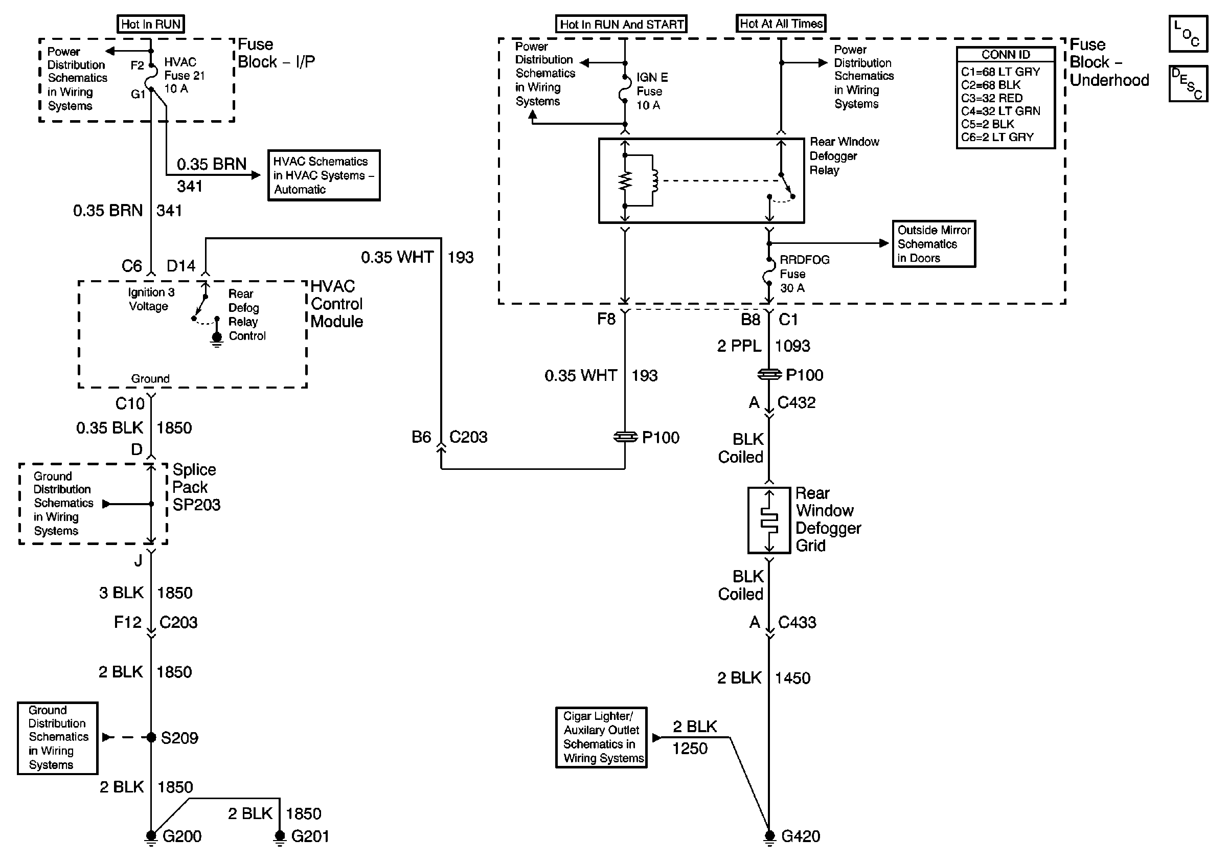
Defogger Schematics
Master Electrical Component List
Rear Window Defogger Description and Operation
Ign RUN and START Bus Bar
Blower Motor, Blower Motor Control Processor, HVAC Control Module, DLC, G203 and G204
IGN E, GAUGES, and SIR Fuses
B+ Bus Bar
Heated Mirrors
SP203
G200 and G201
Cigar Lighter/Auxiliary Outlets Schematics