GM Service Manual Online
For 1990-2009 cars only

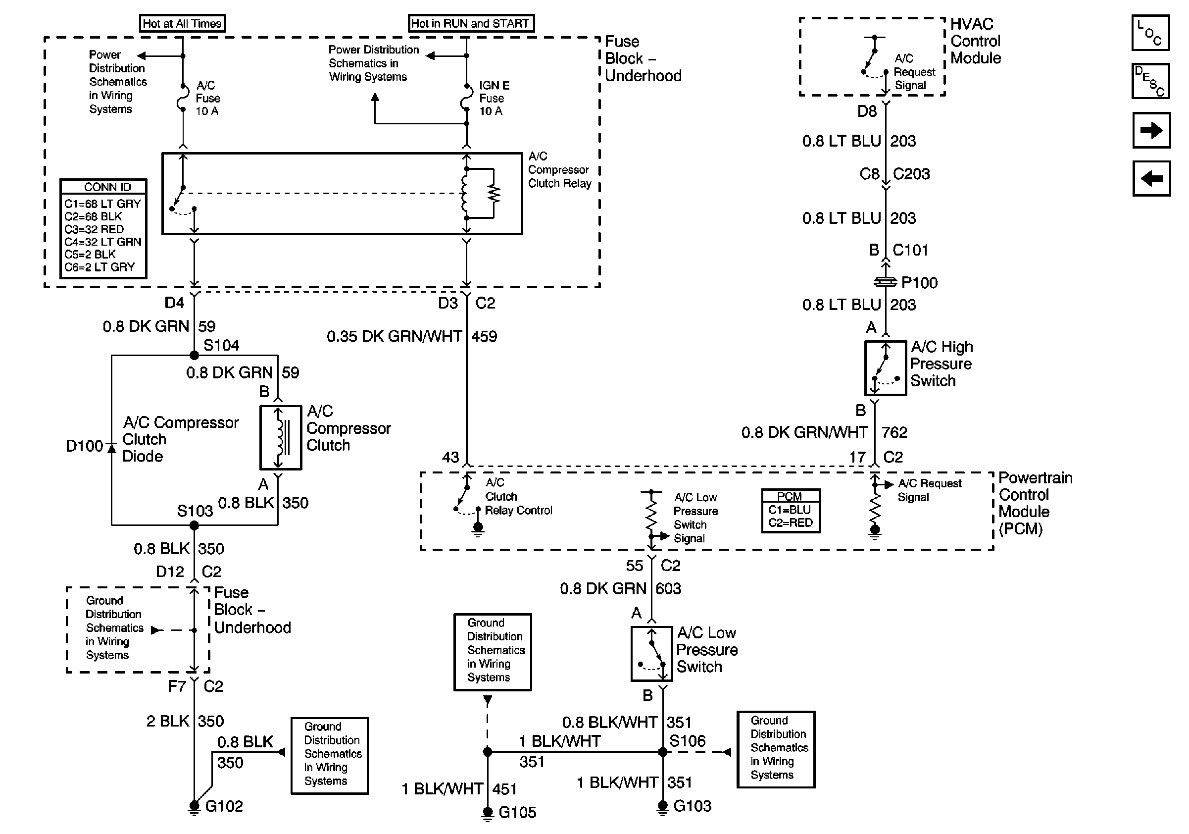
A/C Low and High Pressure Switches, A/C Compressor Clutch , D100, G102,G103, G105, HVAC Control Module and PCM

A/C Low and High Pressure Switches, A/C Compressor Clutch , D100, G102, G103, G105, HVAC Control Module and PCM


Object Number: 680672  Size: FS
Master Electrical Component List
Air Delivery Description and Operation
HVAC Control Module, Air Temperature Actuator, Vacuum Control Assembly, Air Temperature Sensor - Inside, and G202
Blower Motor, Blower Motor Control Processor, HVAC Control Module, DLC, G203 and G204
B+ Bus Bar
IGN E, GAUGES, and SIR Fuses
G102
G102
G103 and G105
G103 and G105