GM Service Manual Online
For 1990-2009 cars only
Makes
🢒
Chevrolet
🢒
2001
🢒
Blazer - 4WD - RHD
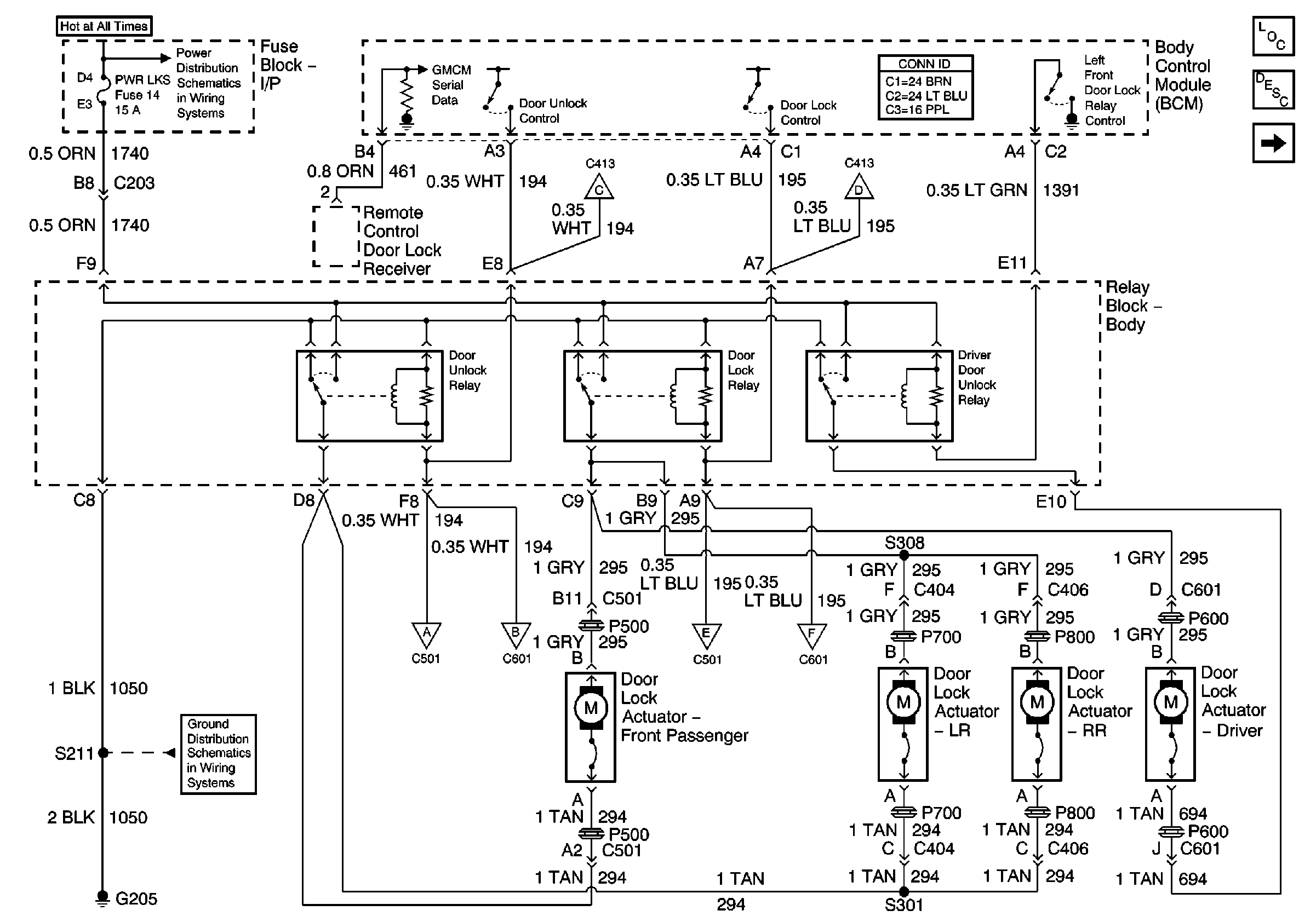
🢒 IP Fuse Block, Body Relay Block and BCM
IP Fuse Block, Body Relay Block and BCM
IP Fuse Block, Body Relay Block and BCM
Master Electrical Component List
Power Door Locks Description and Operation
Underhood Fuse Block and Endgate Lock Cylinder Switch
STUD 2, INT BAT, CIGAR LTR, CTSY LP and PWR LKS Fuses
Underhood Fuse Block and Endgate Lock Cylinder Switch
Underhood Fuse Block and Endgate Lock Cylinder Switch
G203 and G205
Underhood Fuse Block and Endgate Lock Cylinder Switch
Underhood Fuse Block and Endgate Lock Cylinder Switch