GM Service Manual Online
For 1990-2009 cars only
Makes
🢒
Chevrolet
🢒
2001
🢒
Blazer - 4WD - RHD
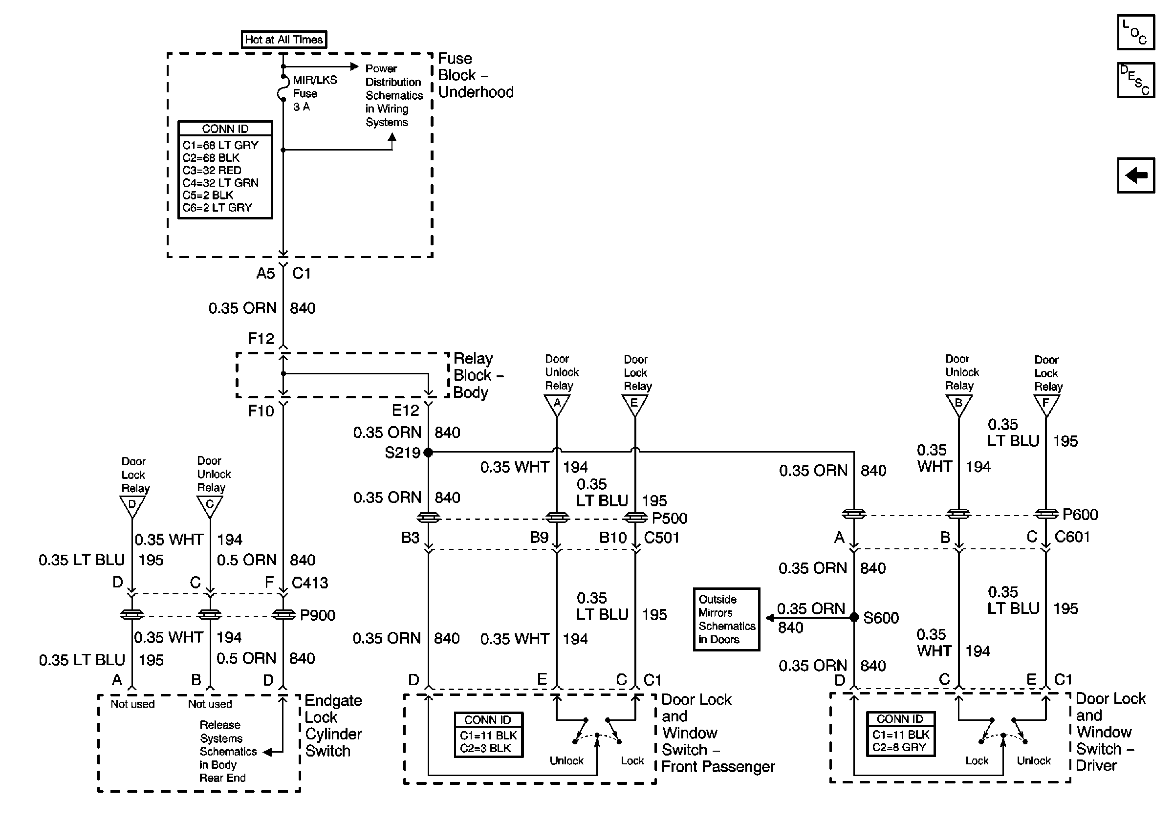
🢒 Underhood Fuse Block and Endgate Lock Cylinder Switch
Underhood Fuse Block and Endgate Lock Cylinder Switch
Underhood Fuse Block and Endgate Lock Cylinder Switch
Master Electrical Component List
Power Door Locks Description and Operation
IP Fuse Block, Body Relay Block and BCM
B+ Bus Bar
IP Fuse Block, Body Relay Block and BCM
Liftglass Release Actuator and Switch
IP Fuse Block, Body Relay Block and BCM
Outside Rear View Mirror Controls
IP Fuse Block, Body Relay Block and BCM