GM Service Manual Online
For 1990-2009 cars only
Makes
🢒
Chevrolet
🢒
2002
🢒
Blazer - 4WD - RHD
🢒 Charging
Charging
Charging
Master Electrical Component List
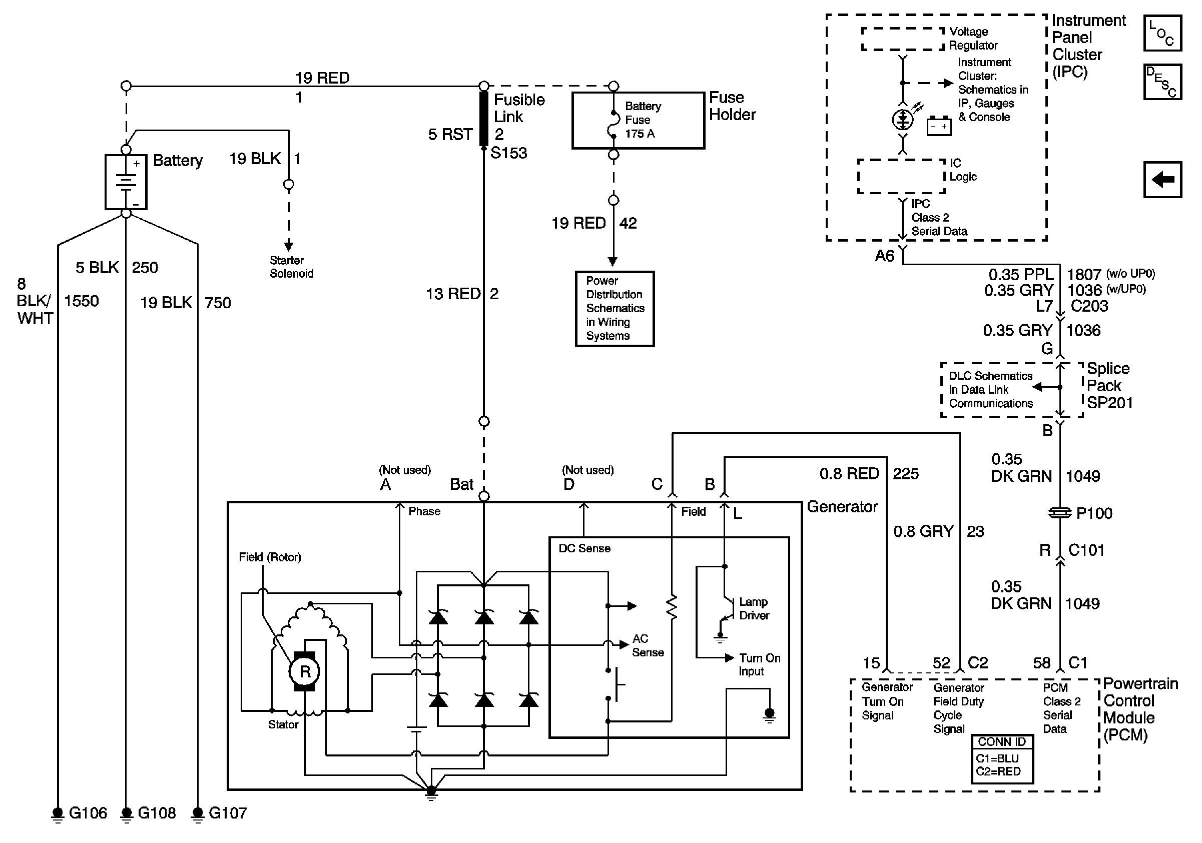
Charging System Description and Operation
Starting
Starting
B+ Bus Bar
Data Link Connector (DLC), PCM and Engine Oil Pressure Gauge Sensor
Splice Pack SP201 and Modules