GM Service Manual Online
For 1990-2009 cars only
Makes
🢒
Chevrolet
🢒
2002
🢒
Blazer - 4WD - RHD
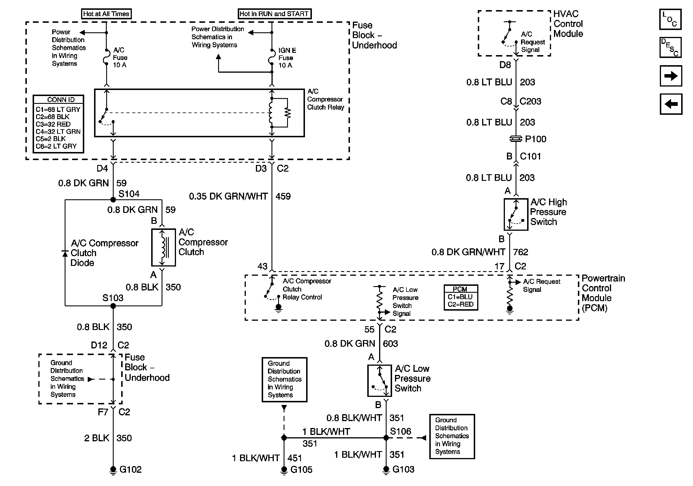
🢒 A/C Low and High Pressure Switches, A/C Compressor Clutch , D100, Ground, HVAC Module and PCM
A/C Low and High Pressure Switches, A/C Compressor Clutch , D100, Ground, HVAC Module and PCM
A/C Low and High Pressure Switches, A/C Compressor Clutch , D100, Ground, HVAC Module and PCM
Master Electrical Component List
Air Temperature Description and Operation
HVAC Control Module, Air Temperature Actuator, Vacuum Control Assembly, Air Temperature Sensor - Inside, and G202
Blower Motor, Blower Motor Control, HVAC Control Module, DLC, G203and G204
B+ Bus Bar
Ign START, RUN and ACC Bus Bar
G102
G103 and G105
G103 and G105