GM Service Manual Online
For 1990-2009 cars only
Makes
🢒
Chevrolet
🢒
2002
🢒
Blazer - 4WD - RHD
🢒 Power, Ground and BCM
Power, Ground and BCM
Power, Ground and BCM
Master Electrical Component List
Audible Warnings Description and Operation
CRUISE, GAUGES and TBC Fuses
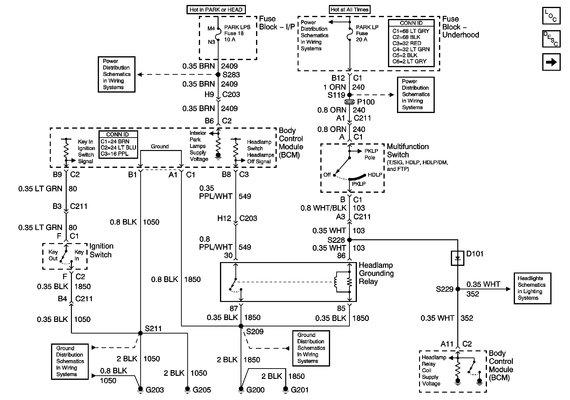
ILLUM and PARK LP Fuses
B+ Bus Bar
PARK LP, FR PRK, LR PRK, RR PRK, and TRL PRK Fuses
G203 and G205
G200 and G201
Power, Flash-to-Pass, and BCM