GM Service Manual Online
For 1990-2009 cars only
Makes
🢒
Chevrolet
🢒
2002
🢒
Blazer - 4WD - RHD
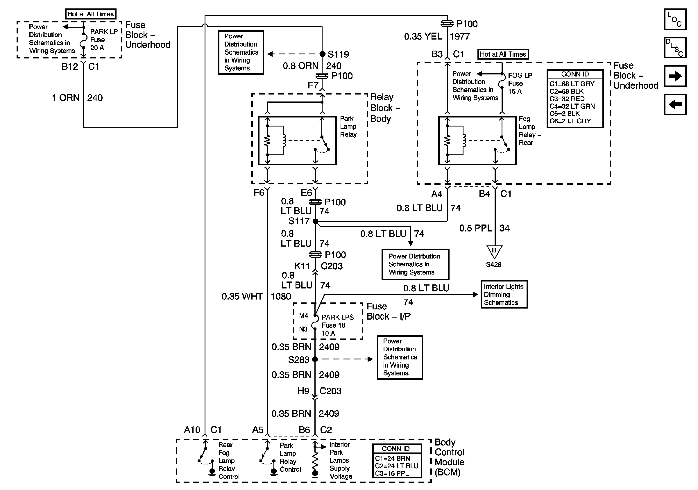
🢒 Fog Lamp Relay - Rear
Fog Lamp Relay - Rear
Fog Lamp Relay - Rear
Master Electrical Component List
Exterior Lighting Systems Description and Operation
Fog Lamps - LR/RR, and Fog Lamp Switch - Rear
Fog Lamps - LF/RF, and Fog Lamp Switch - Front
B+ Bus Bar
PARK LP, FR PRK, LR PRK, RR PRK, and TRL PRK Fuses
B+ Bus Bar
Fog Lamp Relay - Front
Fog Lamps - LR/RR, and Fog Lamp Switch - Rear
Power, Ground and BCM
ILLUM and PARK LP Fuses