GM Service Manual Online
For 1990-2009 cars only
Makes
🢒
Chevrolet
🢒
2002
🢒
Blazer - 4WD - RHD
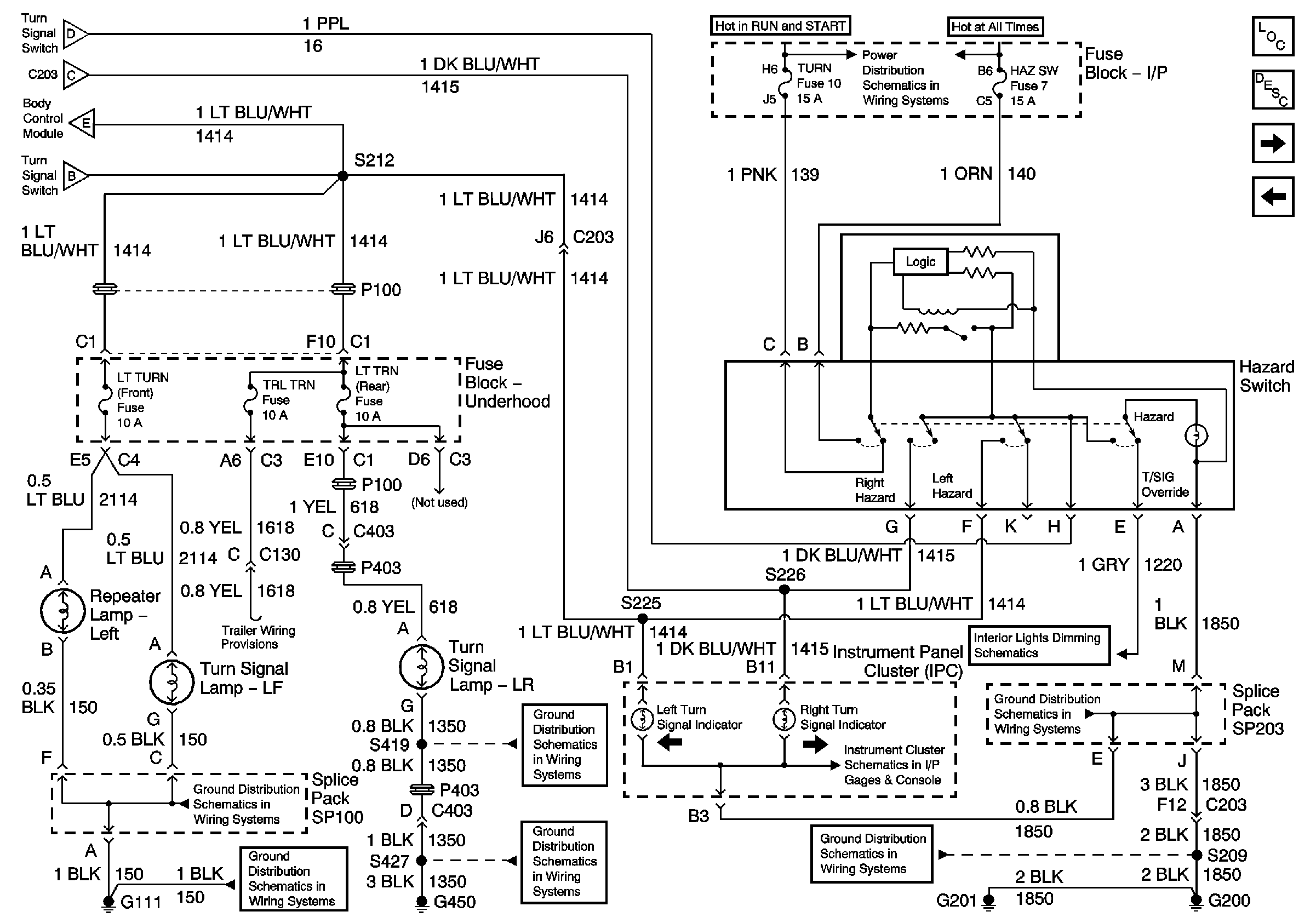
🢒 Hazard Switch, TURN, and HAZ LP Fuses
Hazard Switch, TURN, and HAZ LP Fuses
Hazard Switch, TURN, and HAZ LP Fuses
Master Electrical Component List
Exterior Lighting Systems Description and Operation
STOP LP, VEH HMSL, and TRL HMSL Fuses
Turn Signal Switch, RH TURN, RH REAR TURN, and TRL TURN Fuses
Turn Signal Switch, RH TURN, RH REAR TURN, and TRL TURN Fuses
Turn Signal Switch, RH TURN, RH REAR TURN, and TRL TURN Fuses
Turn Signal Switch, RH TURN, RH REAR TURN, and TRL TURN Fuses
Turn Signal Switch, RH TURN, RH REAR TURN, and TRL TURN Fuses
G111 and G112
G111 and G112
S313 and S419
G450
TURN, HAZ SW, LT TURN, TRL TRN, LT TRN, TRR TRN, RT TRN, and RT TURN Fuses
Data Link Connector (DLC), PCM and Engine Oil Pressure Gauge Sensor
G200 and G201
Hazard Switch, Radio, Instrument Panel Cluster (IPC) and Ground
SP203