GM Service Manual Online
For 1990-2009 cars only
Makes
🢒
Chevrolet
🢒
2002
🢒
Blazer - 4WD - RHD
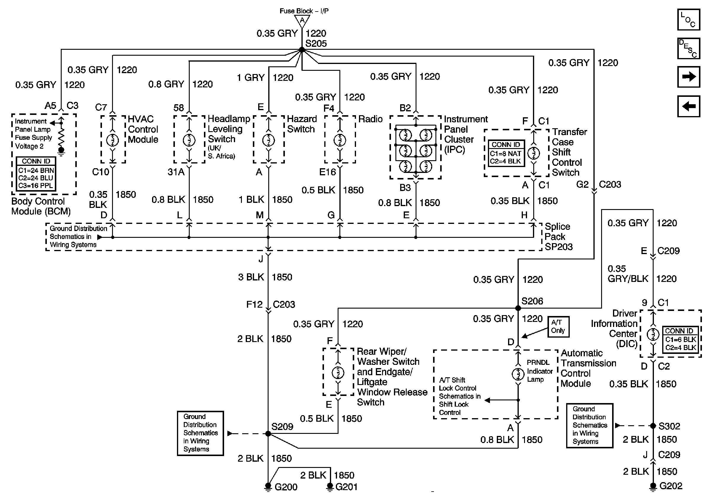
🢒 Hazard Switch, Radio, Instrument Panel Cluster (IPC) and Ground
Hazard Switch, Radio, Instrument Panel Cluster (IPC) and Ground
Hazard Switch, Radio, Instrument Panel Cluster (IPC) and Ground
Master Electrical Component List
Interior Lighting Systems Description and Operation
LED Dimming
Power, Ground and BCM
Power, Ground and BCM
SP203
G200 and G201
A/T Shift Lock Control Schematics
G202 and G204