GM Service Manual Online
For 1990-2009 cars only
Makes
🢒
Chevrolet
🢒
2002
🢒
Blazer - 4WD - RHD
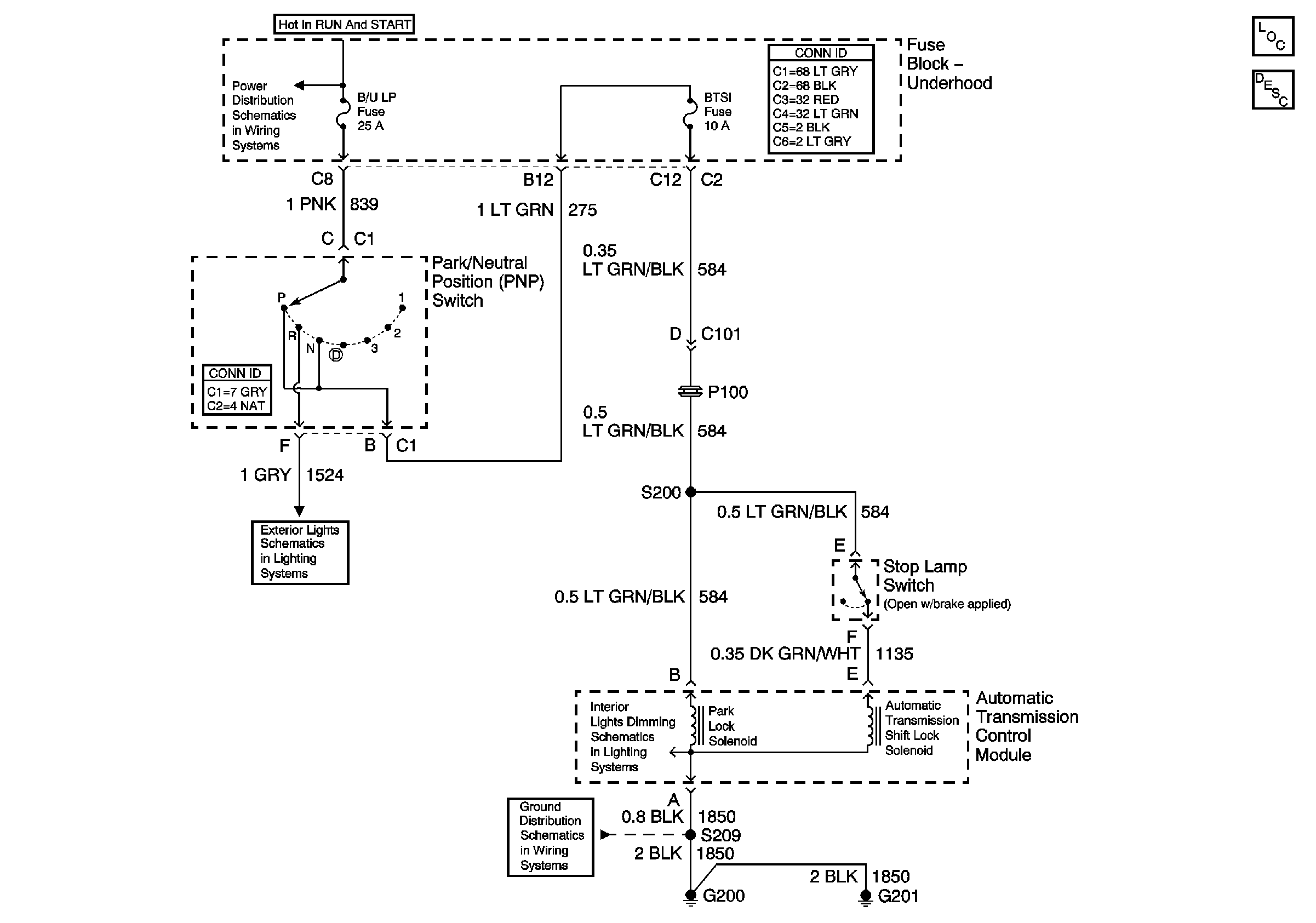
🢒 A/T Shift Lock Control Schematics
A/T Shift Lock Control Schematics
Master Electrical Component List
Automatic Transmission Shift Lock Control Description and Operation
Ign START, RUN and ACC Bus Bar
Backup Lights
Hazard Switch, Radio, Instrument Panel Cluster (IPC) and Ground
G200 and G201