GM Service Manual Online
For 1990-2009 cars only
Makes
🢒
Chevrolet
🢒
2002
🢒
Blazer - 4WD - RHD
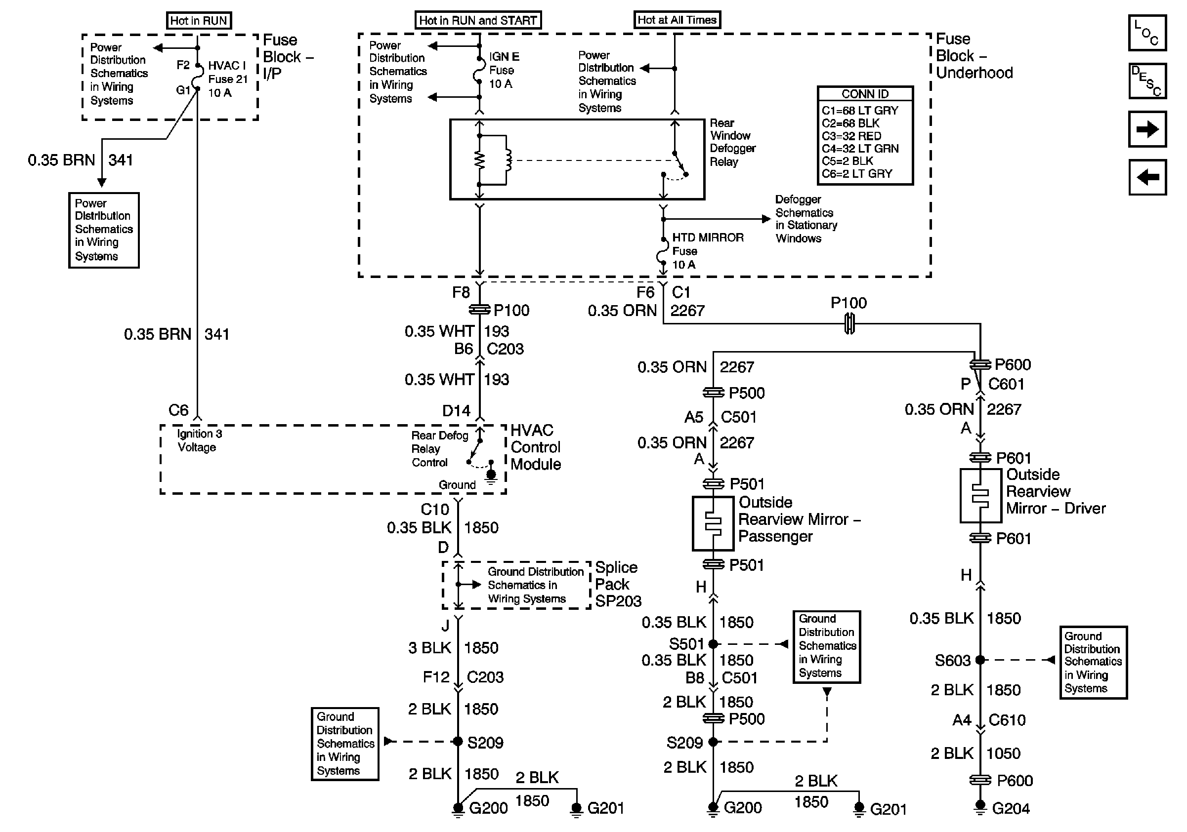
🢒 Heated Mirrors
Heated Mirrors
Heated Mirrors
Master Electrical Component List
Outside Mirror Description and Operation Heated Mirrors
Outside Rear View Mirror Controls
Power and Ground
Ign RUN and START Bus Bar
Ign START, RUN and ACC Bus Bar
B+ Bus Bar
4WD and HVAC I Fuses
Defogger Schematics
SP203
G200 and G201
G200 and G201
G202 and G204