GM Service Manual Online
For 1990-2009 cars only

Wiper/Washer Schematics LWBRHD

Figure 1:

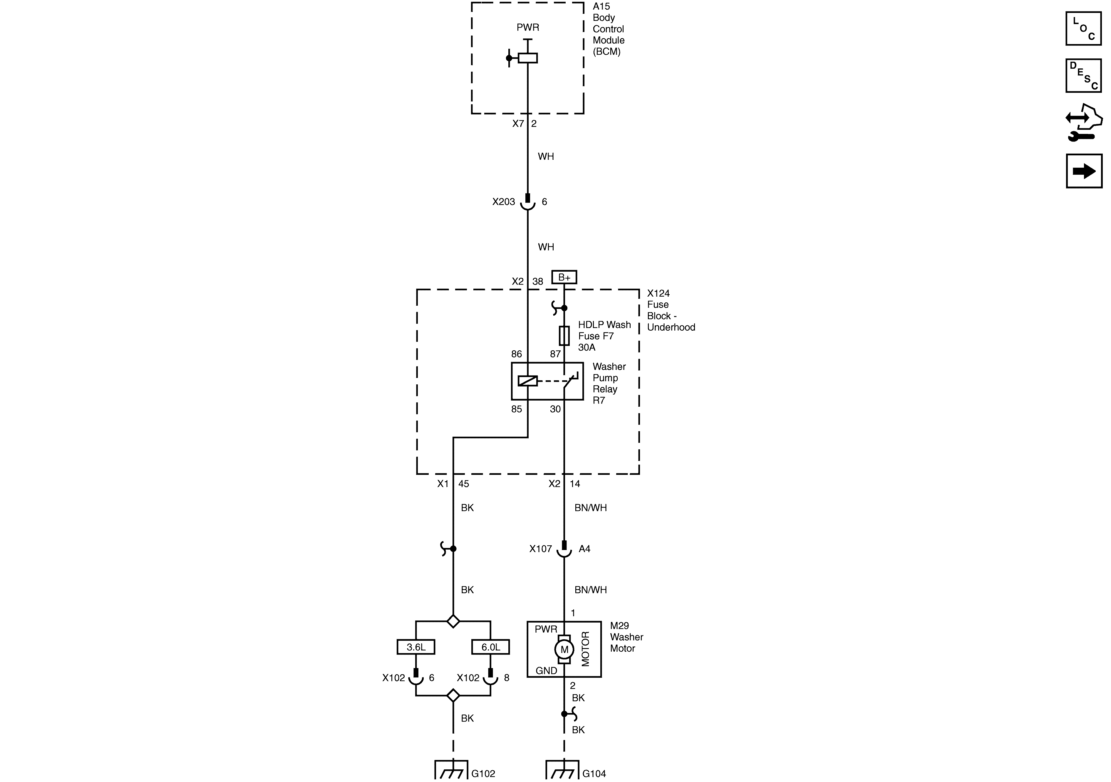
Washer Motor Power and Ground


Object Number: 1962250  Size: FS
Master Electrical Component List
Wiper/Washer System Description and Operation
Control Module References
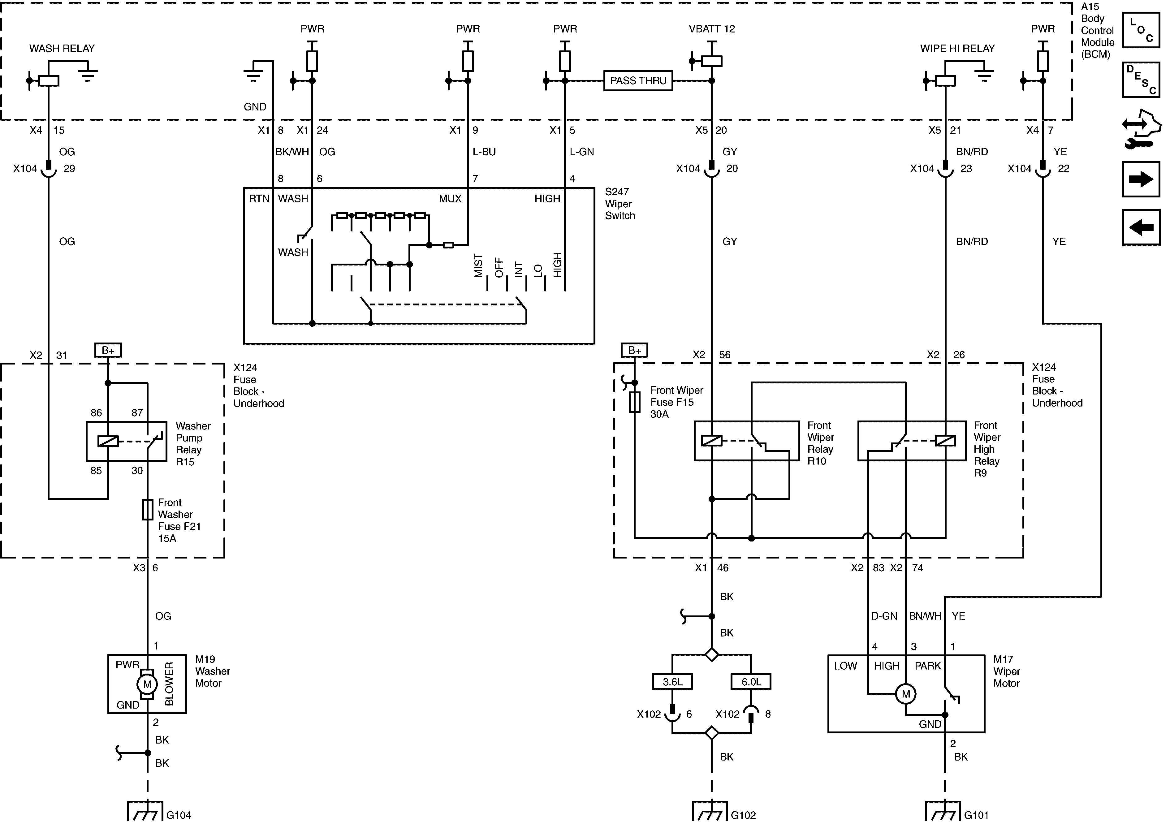
Wiper Switch, Wiper Motor and Washer Motor, Power, Ground, Inputs and Outputs
G101 and G102
G104
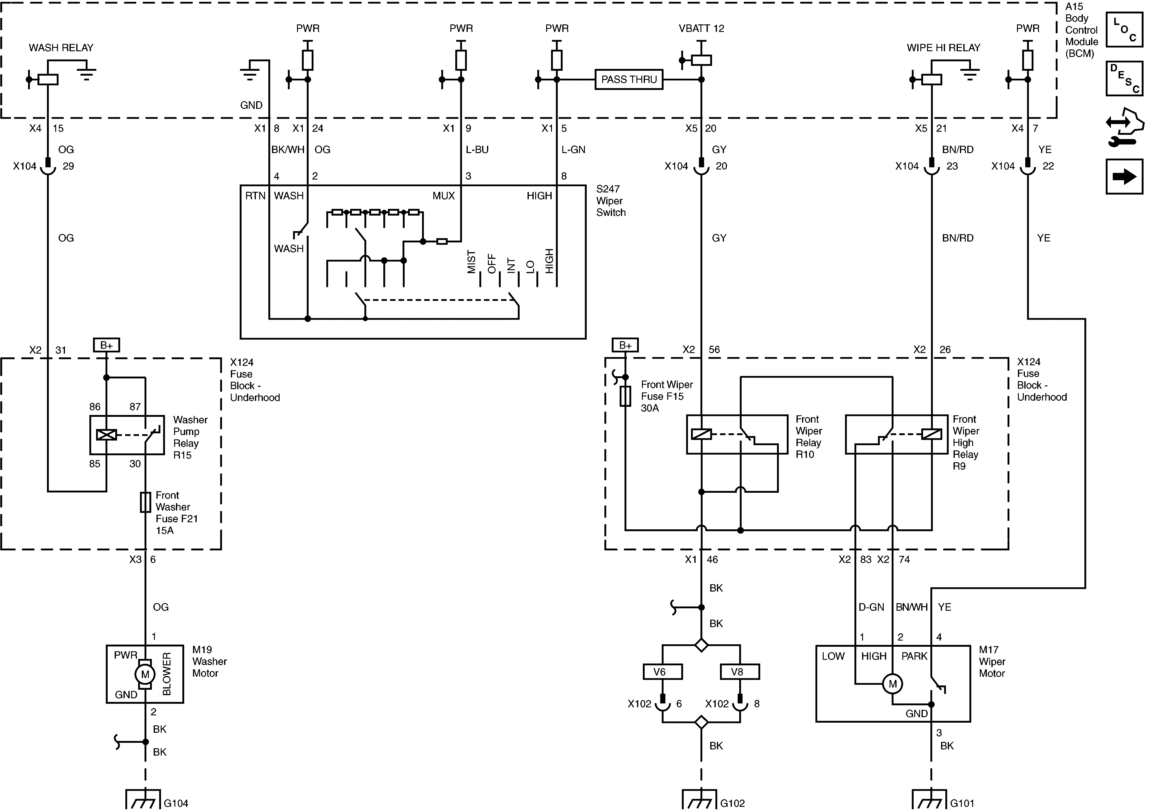
Figure 2:

Wiper Switch, Wiper Motor and Washer Motor, Power, Ground, Inputs and Outputs


Object Number: 1962251  Size: FS
Master Electrical Component List
Wiper/Washer System Description and Operation
Control Module References
Rain Sensor Power, Ground, Inputs and Outputs
Washer Motor Power and Ground
G101 and G102
G101 and G102
G104
B+ Bus - 1 of 2
B+ Bus - 1 of 2
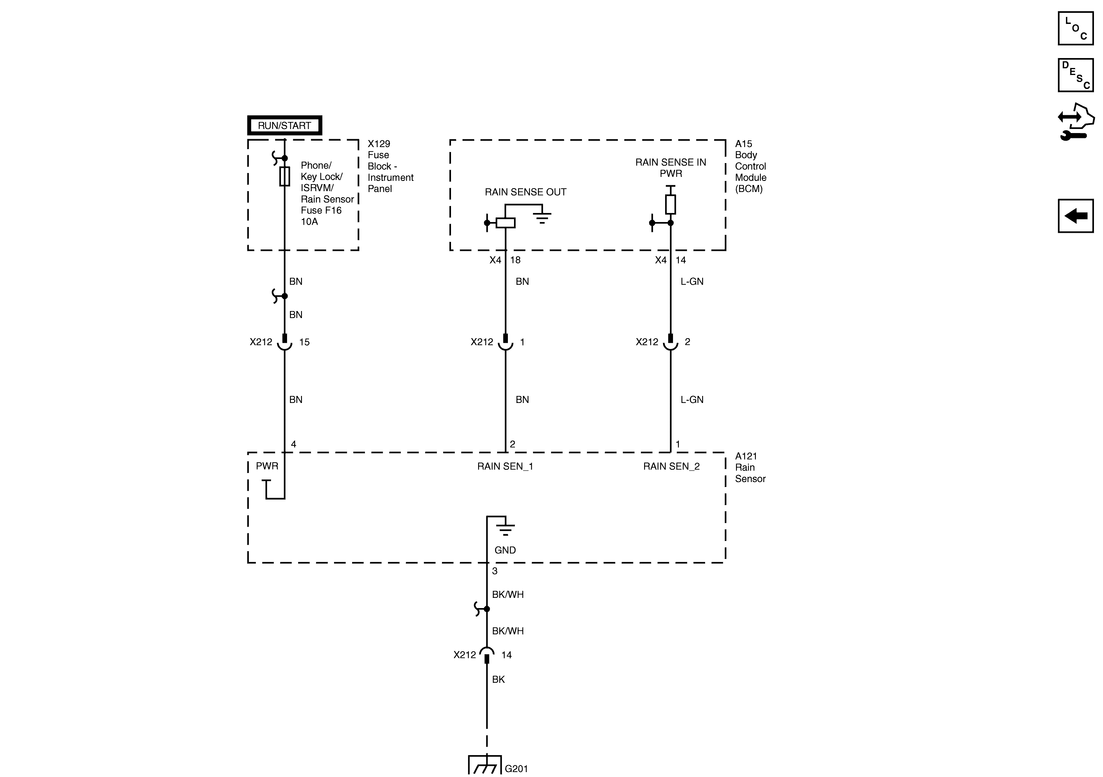
Figure 3:

Rain Sensor Power, Ground, Inputs and Outputs


Object Number: 1962252  Size: FS
Master Electrical Component List
Wiper/Washer System Description and Operation
Control Module References
Wiper Switch, Wiper Motor and Washer Motor, Power, Ground, Inputs and Outputs
G201 - 1 of 2

Wiper/Washer Schematics SWBLHD

Figure 1:

Washer Motor Power and Ground


Object Number: 1962250  Size: FS
Master Electrical Component List
Wiper/Washer System Description and Operation
Control Module References
Wiper Switch, Wiper Motor and Washer Motor, Power, Ground, Inputs and Outputs
G101 and G102
G104
B+ Bus - 1 of 2
Figure 2:

Wiper Switch, Wiper Motor and Washer Motor, Power, Ground, Inputs and Outputs


Object Number: 1962251  Size: FS
Master Electrical Component List
Wiper/Washer System Description and Operation
Control Module References
Washer Motor Power and Ground
G101 and G102
G101 and G102
G104

Wiper/Washer Schematics LWBLHD

Figure 1:

Washer Motor Power and Ground


Object Number: 1962250  Size: FS
Master Electrical Component List
Wiper/Washer System Description and Operation
Control Module References
Washer Motor Power and Ground
G101 and G102
G104
Figure 2:

Wiper Switch, Wiper Motor and Washer Motor, Power, Ground, Inputs and Outputs


Object Number: 1962251  Size: FS
Master Electrical Component List
Wiper/Washer System Description and Operation
Control Module References
Rain Sensor Power, Ground, Inputs and Outputs
G101 and G102
G101 and G102
G104
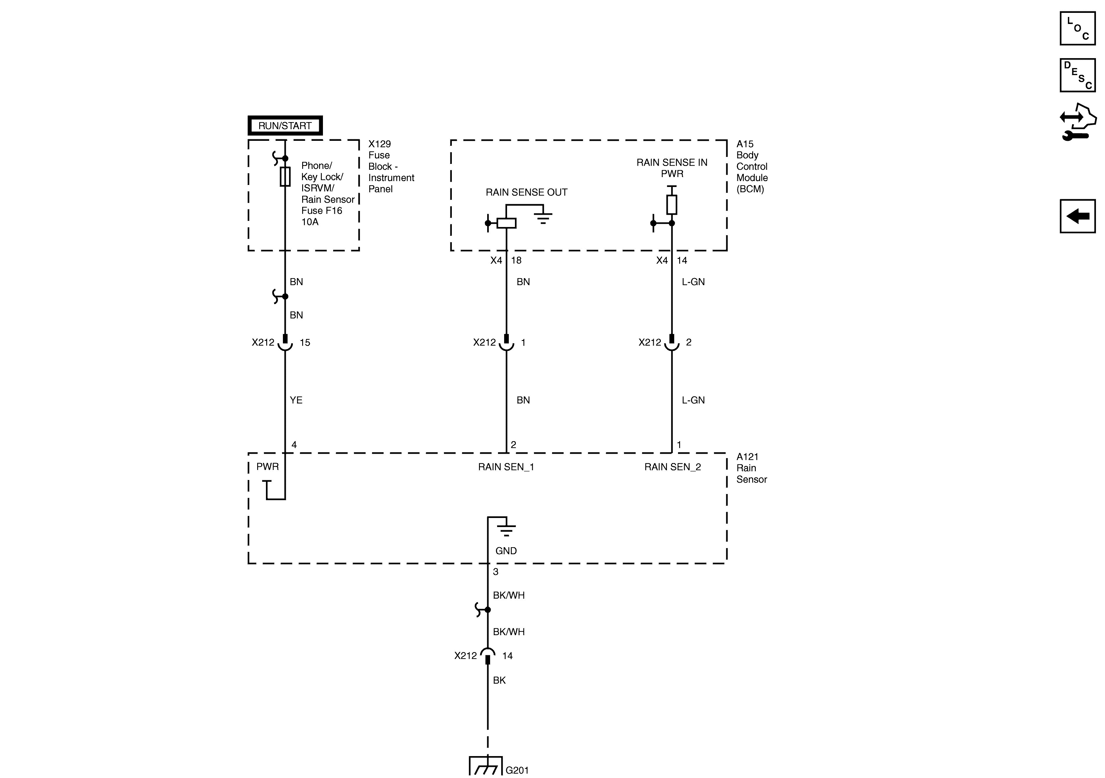
Figure 3:

Rain Sensor Power, Ground, Inputs and Outputs


Object Number: 1962254  Size: FS
Master Electrical Component List
Wiper/Washer System Description and Operation
Control Module References
Wiper Switch, Wiper Motor and Washer Motor, Power, Ground, Inputs and Outputs
G201 - 1 of 2

Wiper/Washer Schematics SWBRHD

Figure 1:

Washer Motor Power and Ground


Object Number: 1962250  Size: FS
Master Electrical Component List
Wiper/Washer System Description and Operation
Control Module References
Wiper Switch, Wiper Motor and Washer Motor, Power, Ground, Inputs and Outputs
G101 and G102
G104
Figure 2:

Wiper Switch, Wiper Motor and Washer Motor, Power, Ground, Inputs and Outputs


Object Number: 1962253  Size: FS
Master Electrical Component List
Wiper/Washer System Description and Operation
Control Module References
Pain Sensor Power, Ground, Inputs and Outputs\
Washer Motor Power and Ground
G101 and G102
G104
B+ Bus - 1 of 2
B+ Bus - 1 of 2
Figure 3:

Rain Sensor Power, Ground, Inputs and Outputs


Object Number: 1962252  Size: FS
Master Electrical Component List
Wiper/Washer System Description and Operation
Control Module References
Wiper Switch, Wiper Motor and Washer Motor, Power, Ground, Inputs and Outputs
G201 - 1 of 2
B+ Bus - 1 of 2