GM Service Manual Online
For 1990-2009 cars only

SIR Schematics RHD

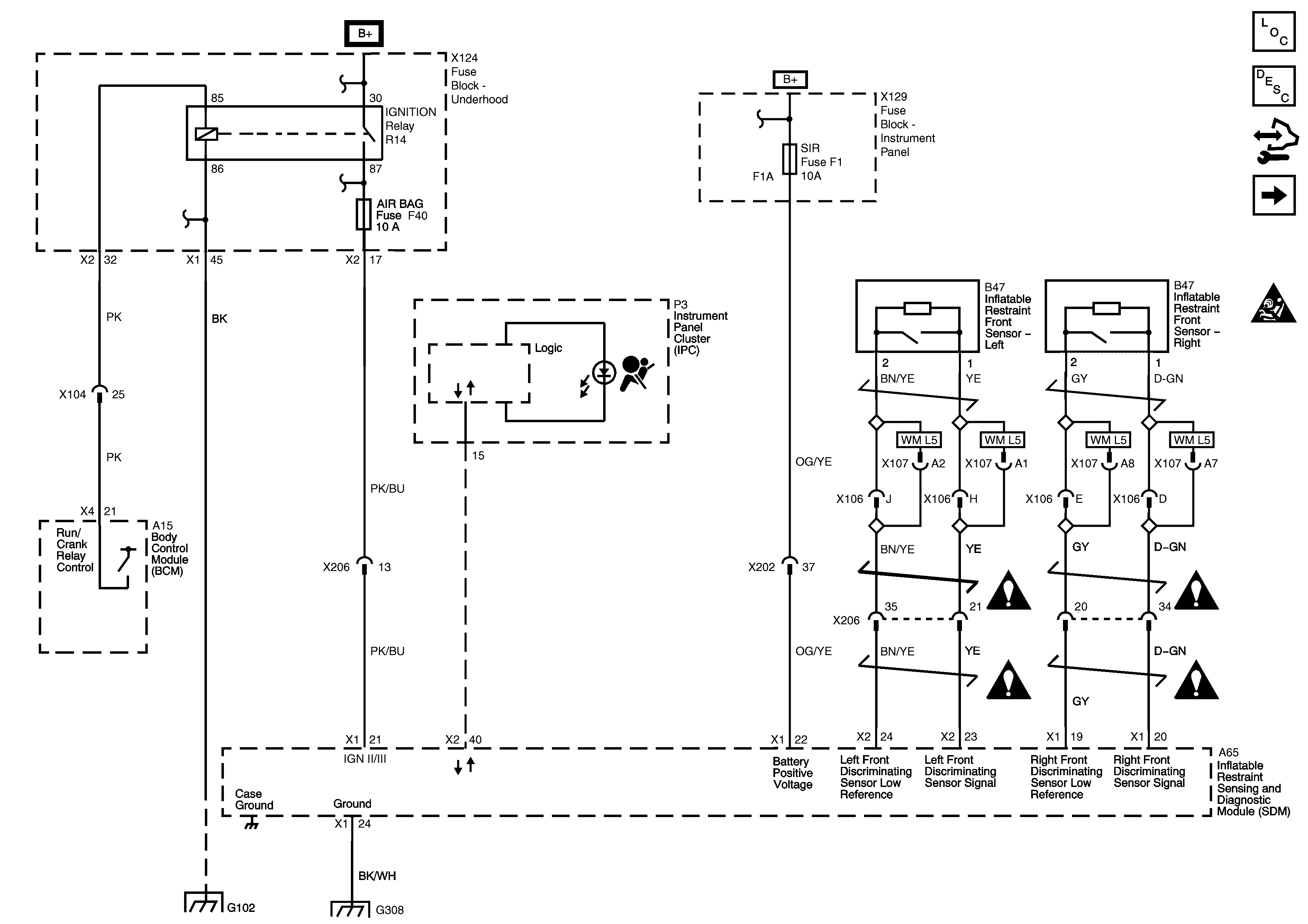
Figure 1:

Inflatable Restraint Sensing and Diagnostic Module and Inflatable Restraint Sensors, Power, Ground, Serial Data, Inputs and Outputs


Object Number: 1959038  Size: SH
Master Electrical Component List
SIR System Description and Operation
Control Module References
Inflatable Restraint Steering Wheel Module and Inflatable Restraint I/P Module
SIR Schematic Icons
SIR Schematic Icons
SIR Schematic Icons
SIR Schematic Icons
SIR Schematic Icons
G101 and G102
G305 - 2 of 2, G308 and G407
B+ Bus - 1 of 2
B+ Bus - 1 of 2
Figure 2:

Inflatable Restraint Steering Wheel Module and Inflatable Restraint I/P Module


Object Number: 1959039  Size: FS
Master Electrical Component List
SIR System Description and Operation
Control Module References
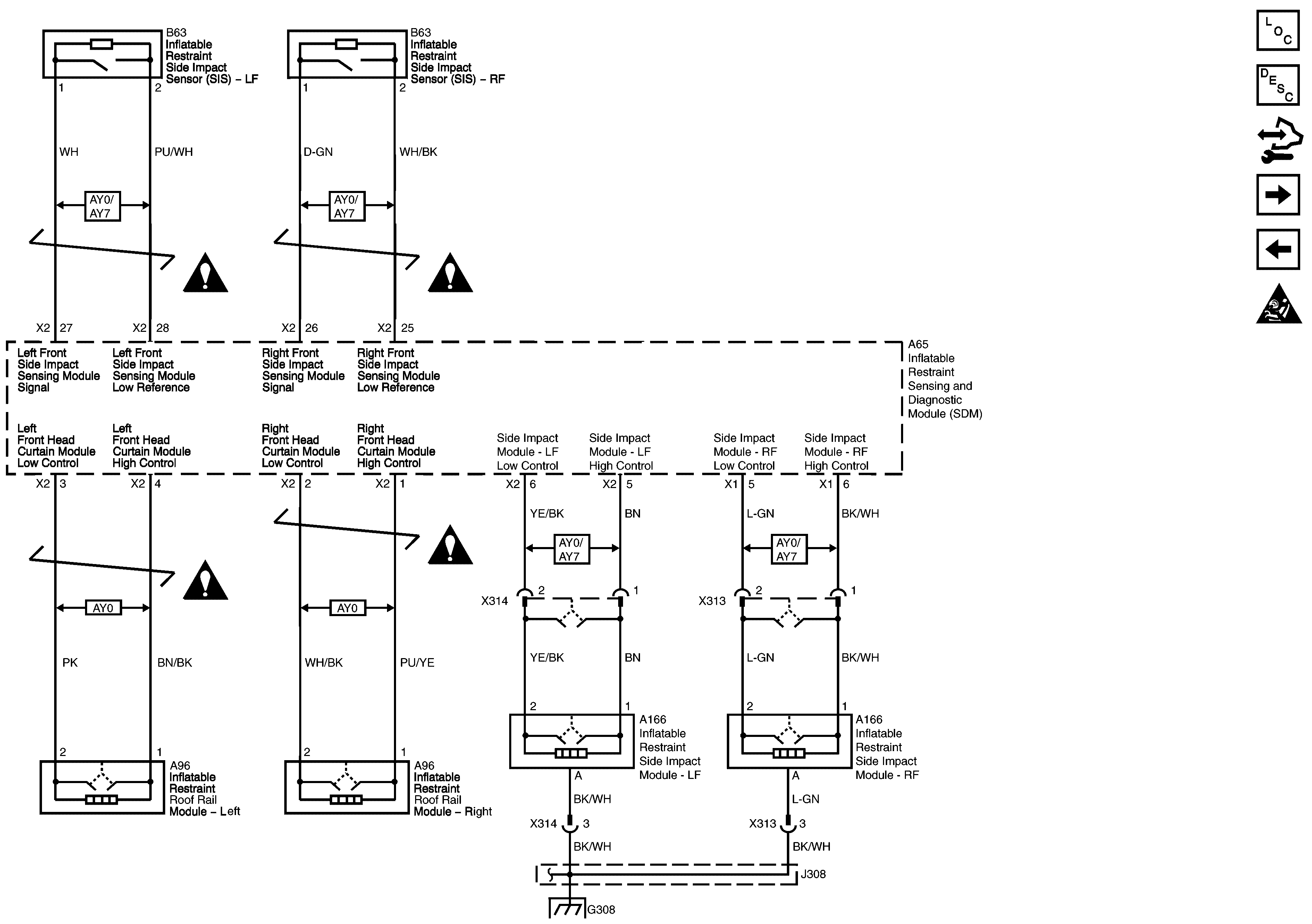
Inflatable Restraint Roof Rail Module, Side Impact Sensors and Side impact Module
Inflatable Restraint Sensing and Diagnostic Module and Inflatable Restraint Sensors, Power, Ground, Serial Data, Inputs and Outputs
SIR Schematic Icons
Figure 3:

Inflatable Restraint Roof Rail Module, Side Impact Sensors and Side Impact Module


Object Number: 1959040  Size: FS
Master Electrical Component List
SIR System Description and Operation
Control Module References
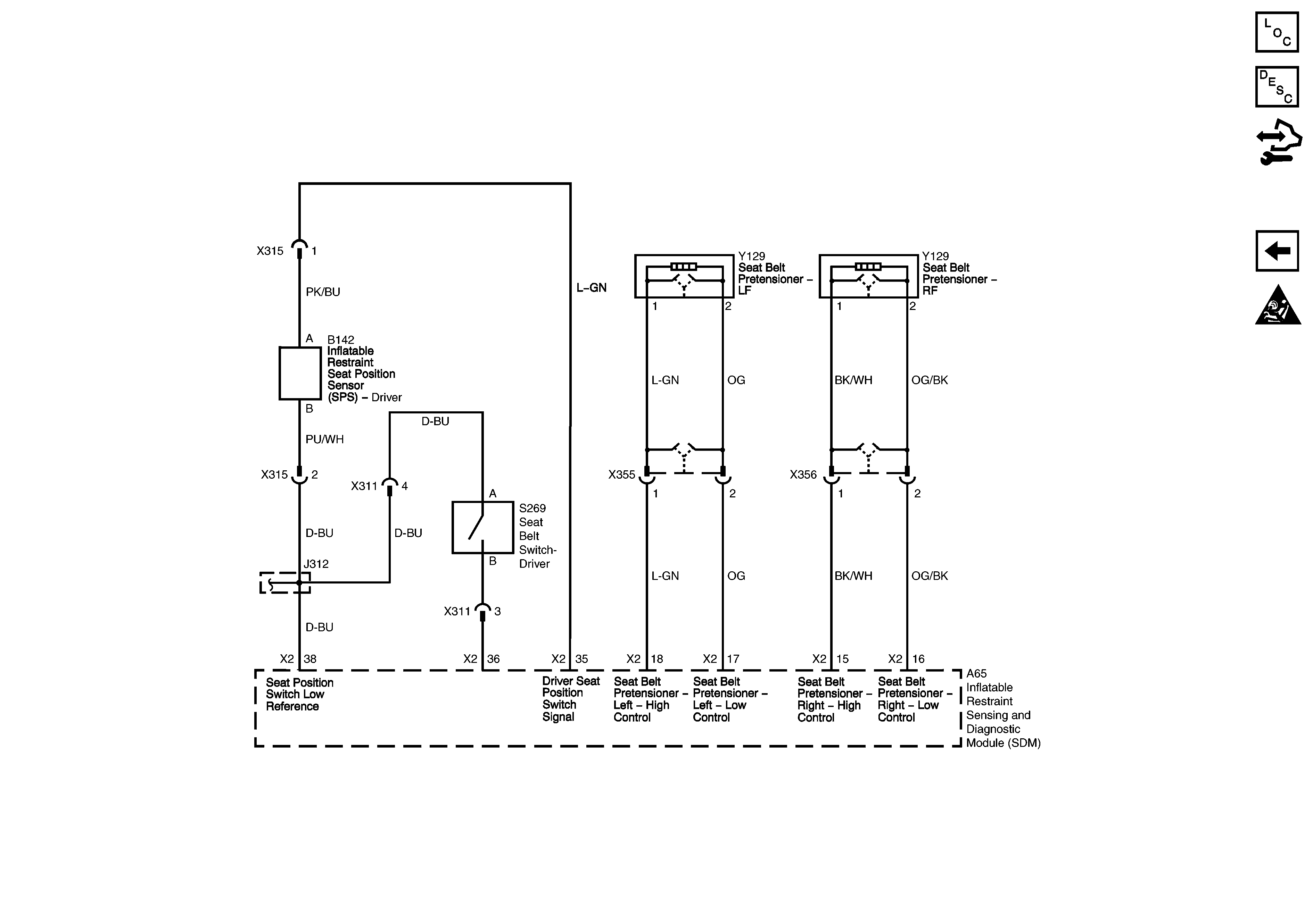
Seat Belt Pretensioners, Seat Belt Switch and Seat Position Sensor
Inflatable Restraint Steering Wheel Module and Inflatable Restraint I/P Module
SIR Schematic Icons
SIR Schematic Icons
SIR Schematic Icons
SIR Schematic Icons
SIR Schematic Icons
G305 - 2 of 2, G308 and G407
Figure 4:

Seat Belt Pretensioners, Seat Belt Switch and Seat Position Sensor


Object Number: 1959041  Size: FS
Master Electrical Component List
SIR System Description and Operation
Control Module References
Inflatable Restraint Roof Rail Module, Side Impact Sensors and Side impact Module
SIR Schematic Icons