GM Service Manual Online
For 1990-2009 cars only
Makes
🢒
Chevrolet
🢒
2007
🢒
Caprice WM
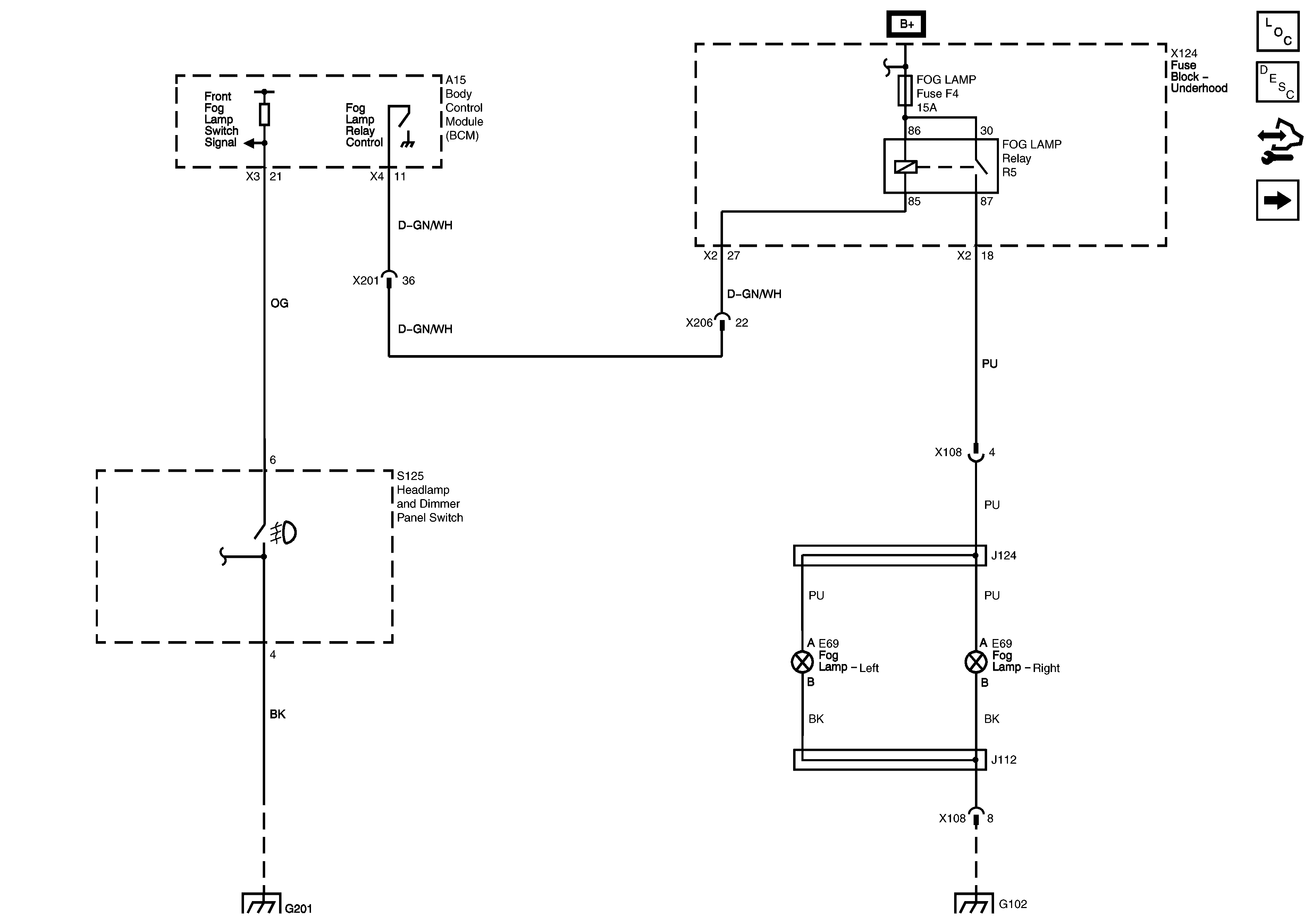
🢒 Fog Lights and Fog Lights Switch Power and Ground
Fog Lights and Fog Lights Switch Power and Ground
Fog Lights and Fog Lights Switch Power and Ground
Master Electrical Component List
Exterior Lighting Systems Description and Operation CSV SWBHSV
Control Module References
Headlamp and Turn Signal Multifunction Switches and Ambient Light Sensors
G101 and G102
G201 - 1 of 2