GM Service Manual Online
For 1990-2009 cars only

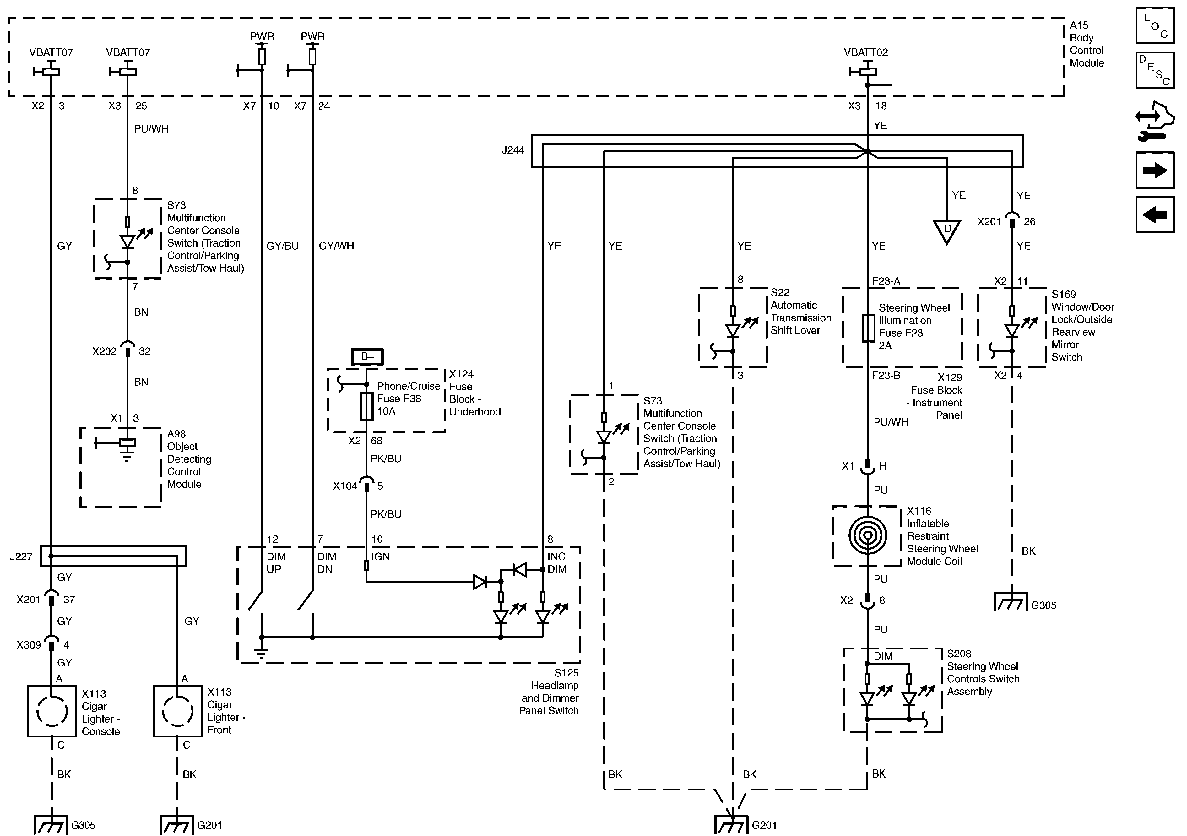
Cigar Lighters, Multifunction Center Console Switch, Headlamp and Dimmer Switch, Auto Transmission Shift Lever Switch, Steering Wheel Switches, Window/Door Lock and Mirror Switch Illumination

Cigar Lighters, Multifunction Center Console Switch, Headlamp and Dimmer Switch, Auto Transmission Shift Lever Switch, Steering Wheel Switches, Window/Door Lock and Mirror Switch Illumination


Object Number: 1958829  Size: FS
Master Electrical Component List
Interior Lighting Systems Description and Operation
Control Module References
Courtesy Lamps Power and Ground
Ignition Key Cylinder Lamp, Courtesy Lamps, Compartment Lamps and Sunshade Lamps, Power and Ground
Courtesy Lamps Power and Ground
G305 - 2 of 2, G308 and G407
G305 - 2 of 2, G308 and G407
G201 - 1 of 2
G201 - 1 of 2
B+ Bus - 1 of 2