GM Service Manual Online
For 1990-2009 cars only
Makes
🢒
Chevrolet
🢒
2007
🢒
Caprice WM
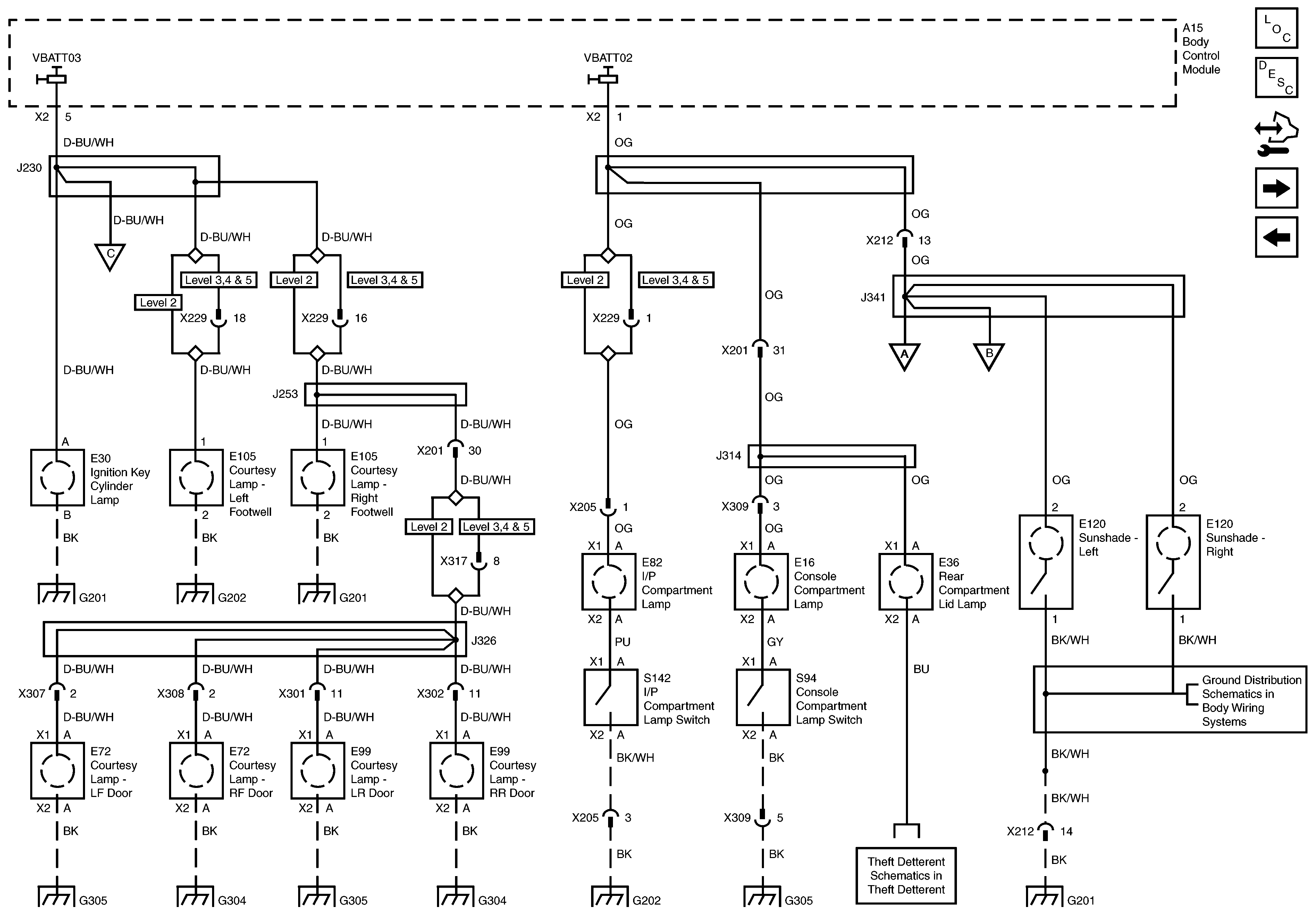
🢒 Ignition Key Cylinder Lamp, Courtesy Lamps, Compartment Lamps and Sunshade Lamps, Power and Ground
Ignition Key Cylinder Lamp, Courtesy Lamps, Compartment Lamps and Sunshade Lamps, Power and Ground
Ignition Key Cylinder Lamp, Courtesy Lamps, Compartment Lamps and Sunshade Lamps, Power and Ground
Master Electrical Component List
Interior Lighting Systems Description and Operation
Control Module References
Turn Signal Multifunction Switch, Front, Side and Rear Repeater Lamps Power and Ground
Cigar Lighters, Multifunction Center Console Switch, Headlamp and Dimmer Switch, Auto Transmission Shift Lever Switch, Steering Wheel Switches, Window/Door Lock and Mirror Switch Illumination
Courtesy Lamps Power and Ground
Courtesy Lamps Power and Ground
Courtesy Lamps Power and Ground
G201 - 2 of 2
G201 - 2 of 2
G201 - 2 of 2
G202
G202
G303 and G304 - 2 of 2 and G305 - 1 of 2
G303 and G304 - 2 of 2 and G305 - 1 of 2
G303 and G304 - 2 of 2 and G305 - 1 of 2
G303 and G304 - 2 of 2 and G305 - 1 of 2
G303 and G304 - 2 of 2 and G305 - 1 of 2
G201 - 2 of 2
Theft Deterrent Module, Power, Ground, Serial Data