GM Service Manual Online
For 1990-2009 cars only
Makes
🢒
Chevrolet
🢒
2007
🢒
Caprice WM
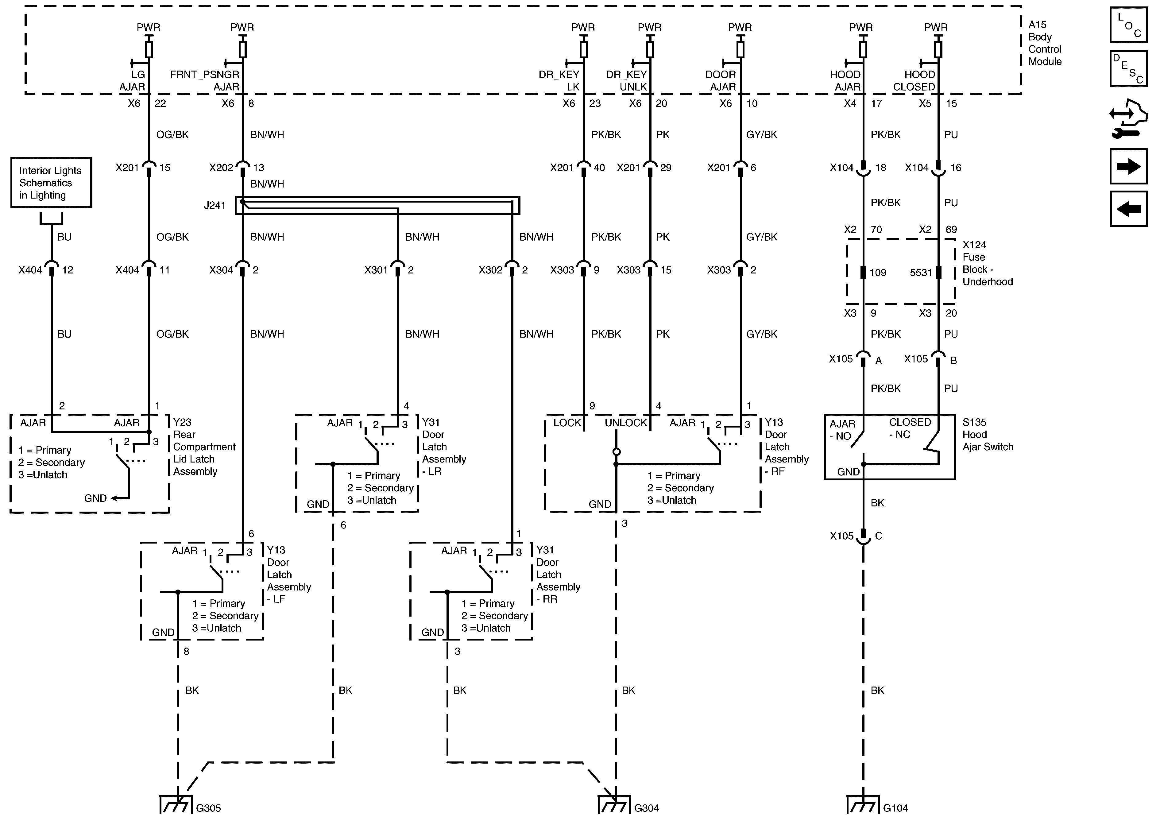
🢒 Door Latch Assemblies and Hood Ajar Switch
Door Latch Assemblies and Hood Ajar Switch
Door Latch Assemblies and Hood Ajar Switch
Master Electrical Component List
Power Door Locks Description and Operation
Control Module References
Door Latch Assemblies and Door Lock Switch
Power Window Switches and Motors and mdash Express Down
G303 and G304 - 2 of 2 and G305 - 1 of 2
G303 and G304 - 2 of 2 and G305 - 1 of 2
G104
Ignition Key Cylinder Lamp, Courtesy Lamps, Compartment Lamps and Sunshade Lamps, Power and Ground