GM Service Manual Online
For 1990-2009 cars only
Makes
🢒
Chevrolet
🢒
2007
🢒
Caprice WM
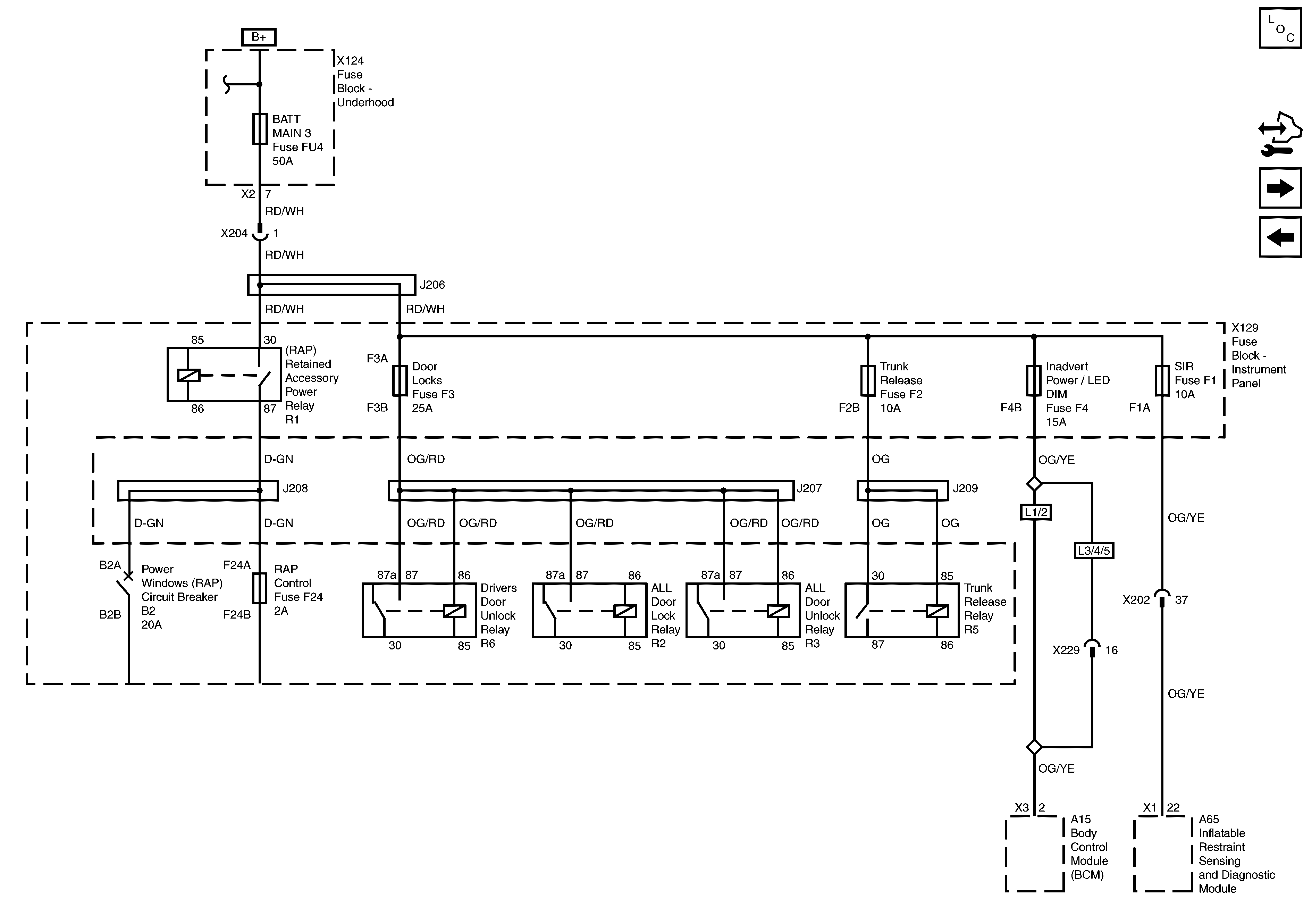
🢒 BATT MAIN 3, DOOR LOCKS, INADVERT PWR/LED DIM, SIR AND TRUNK RELEASE Fuses
BATT MAIN 3, DOOR LOCKS, INADVERT PWR/LED DIM, SIR AND TRUNK RELEASE Fuses
BATT MAIN 3, DOOR LOCKS, INADVERT PWR/LED DIM, SIR and TRUNK RELEASE Fuses
Master Electrical Component List
Control Module References
ABS MTR, ABS Valves HVAC Bat, HVAC Blwr, RTD and TCM Fuses
Batt Main 2 Fuse and Power Seat Circuit Breaker