GM Service Manual Online
For 1990-2009 cars only
Makes
🢒
Chevrolet
🢒
2007
🢒
Caprice WM
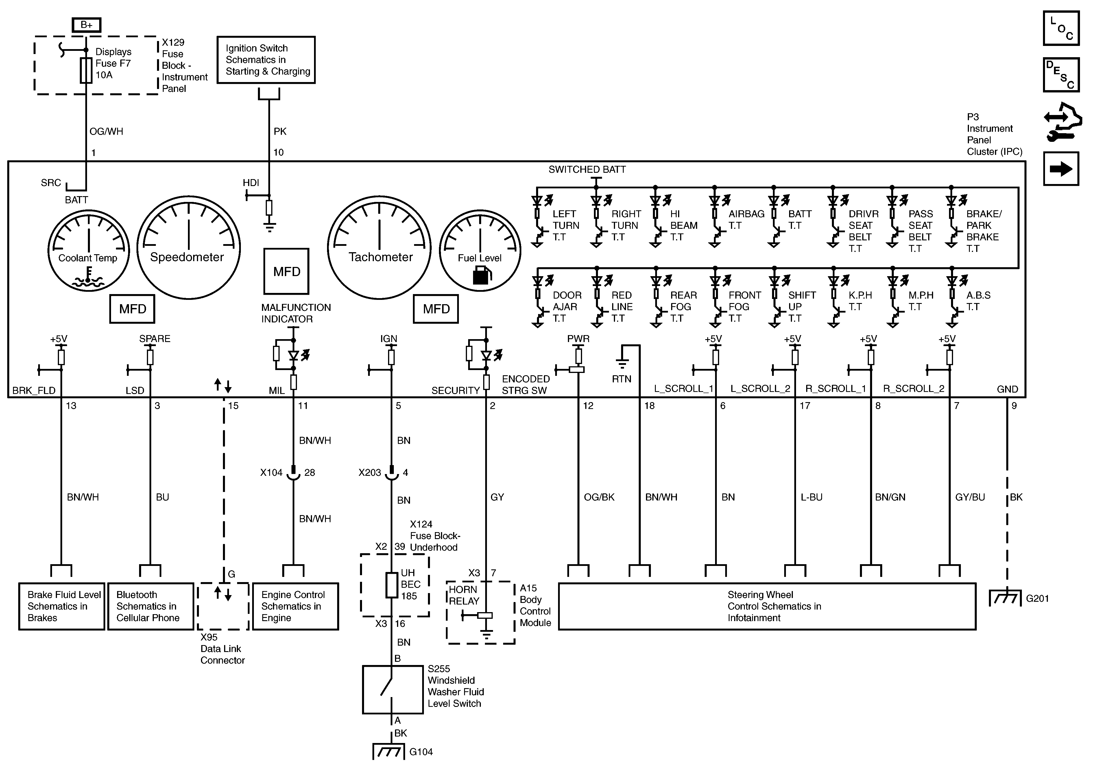
🢒 Instrument Cluster Power, Ground, Serial Data, Inputs and Outputs
Instrument Cluster Power, Ground, Serial Data, Inputs and Outputs
Instrument Cluster Power, Ground, Serial Data, Inputs and Outputs
Master Electrical Component List
Instrument Cluster Description and Operation
Control Module References
Driver Information System Schematics SWB
G104
G201 - 1 of 2
Battery, Starter and Ignition Switch, Inputs and Outputs
Park Brake Switch, Traction Control Switch, Brake Pedal Position and Brake Fluid Switch
Bluetooth System
ECM Power, Ground and Serial Data
ECM Power, Ground and Serial Data
Steering Wheel Controls Switch and Inflatable Restraint Steering Wheel Module Coil Inputs and Outputs
B+ Bus - 1 of 2